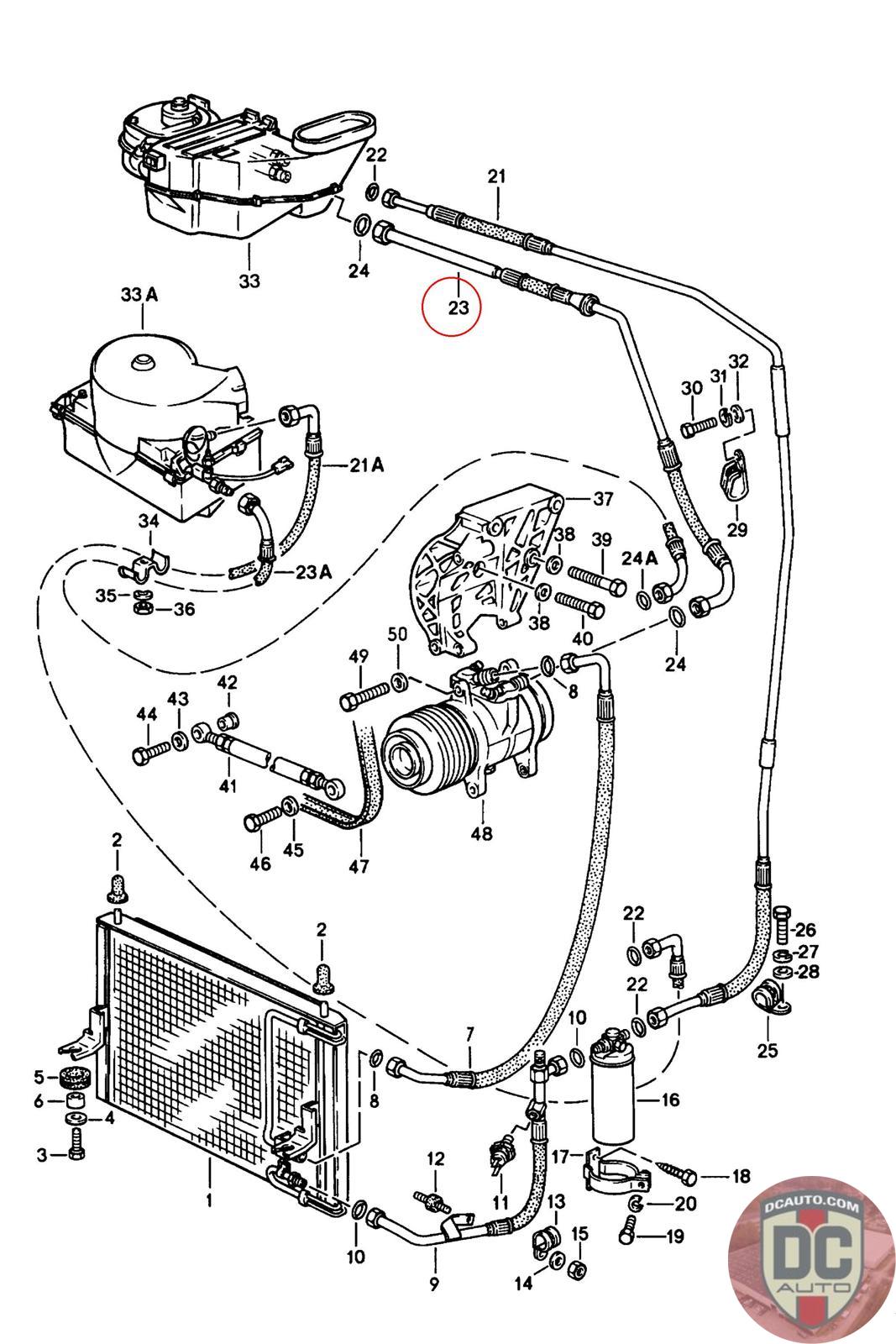
94457309104
REFRIGERANT LINE *
944 573 091 04 [/LL]
SELECT
SERIAL #
65108
DESCRIPTION
-
CONDITION
USED - X
MILEAGE
-
PRICE
$37.50
$50.00
QTY
Available: 999
65108
-
USED - X
-
$
37.50
On Sale! $50.00
Available: 999