90014605502
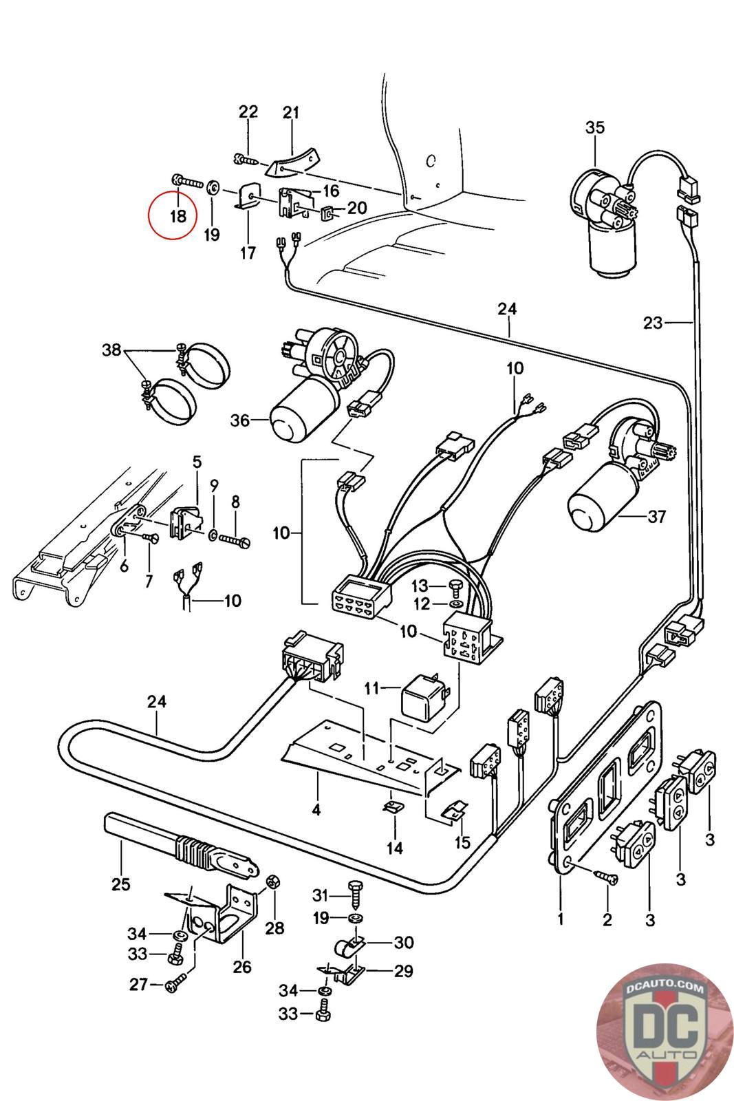
OVAL-HEAD SCREW M 4X25, .
900 146 055 02 [-81]
SELECT
PART NO
90014605502
DESCRIPTION
Note this is a special order item, delivery estimate 1-2 weeks.
CONDITION
NEW - GENUINE PORSCHE
MANUFACTURER
-
PRICE
$1.97
QTY
Available: 999
90014605502
Note this is a special order item, delivery estimate 1-2 weeks.
NEW - GENUINE PORSCHE
-
$
1.97
Available: 999