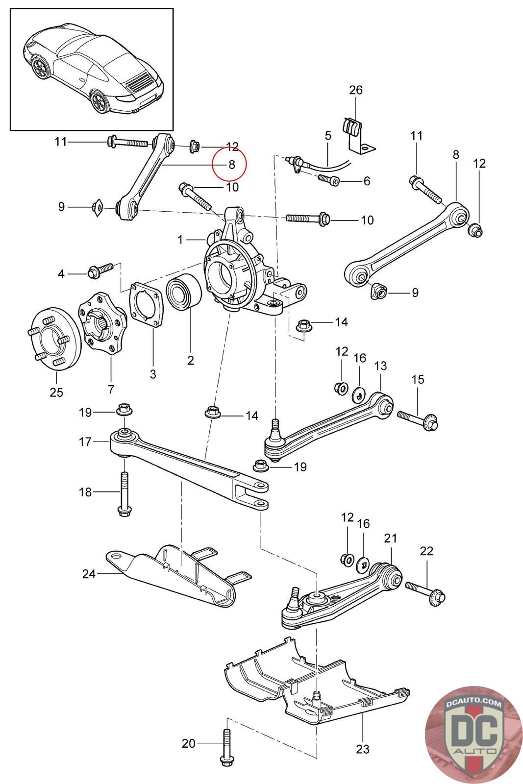
99633104706
WISHBONE, SUPERSEDED TO 99733104700, 99733104701
996 331 047 06
SELECT
SERIAL #
72168
DESCRIPTION
-
CONDITION
USED - X
MILEAGE
-
PRICE
$22.50
$30.00
QTY
Available: 999
72168
-
USED - X
-
$
22.50
On Sale! $30.00
Available: 999