Replacement Engine, Crankcase

101-00

REPLACEMENT ENGINE

101-05

ENGINE CASE & OIL PAN

Crankshaft, Piston

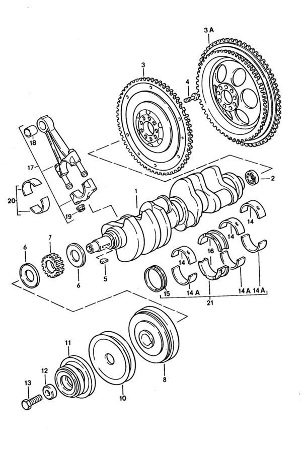
102-00

CRANKSHAFT, RODS, BEARINGS & FLYWHEEL, CRANK PULLEY

102-05

PISTON, PIN & RINGS

Cylinder Head, Camshaft, Driving Mechanism, Toothed Belt Covering

103-00

CYLINDER HEAD

103-05

CAMSHAFT, GEAR & HOUSING

103-10

TIMING BELT & TENSIONER

103-15

TIMING BELT COVERS

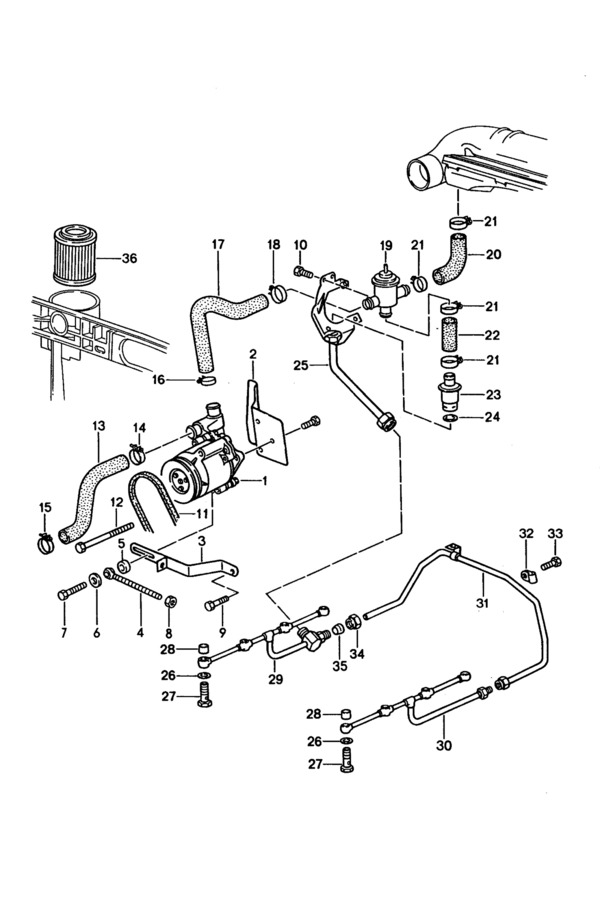
Engine Lubrication, Engine Oil Cooling

104-00

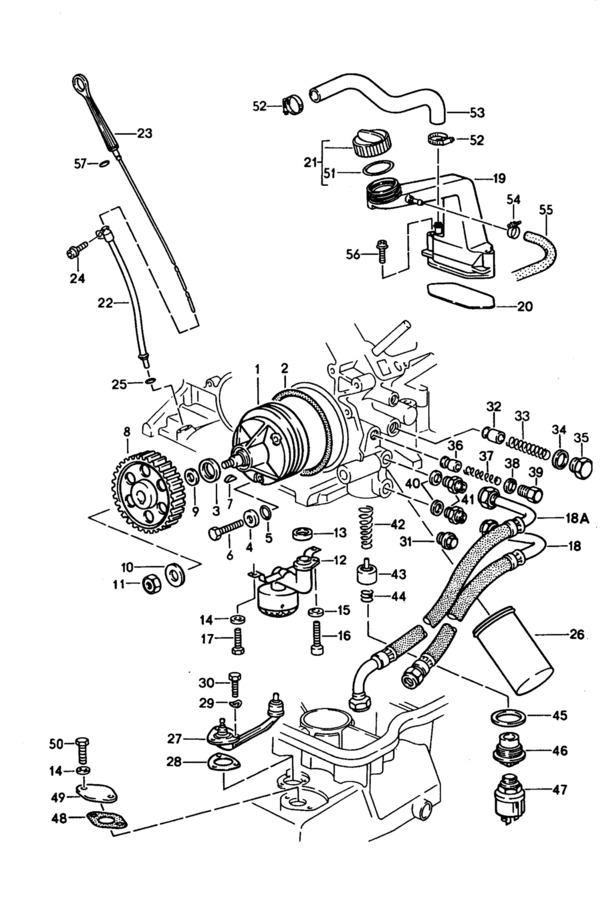
ENGINE OIL SYSTEM

104-05

ENGINE OIL COOLER

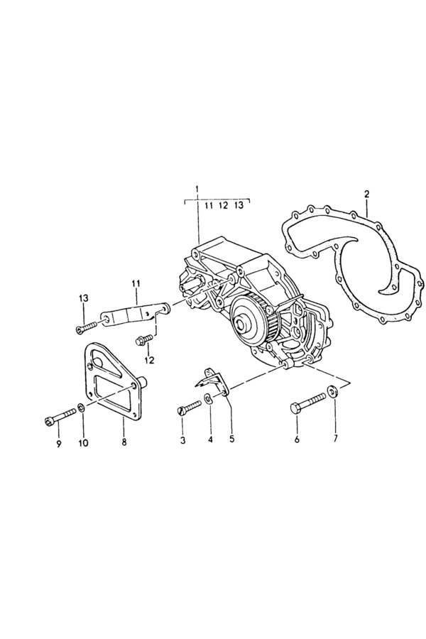
Water Pump, Water Cooling 1, Water Cooling 2

105-00

WATER PUMP

105-05

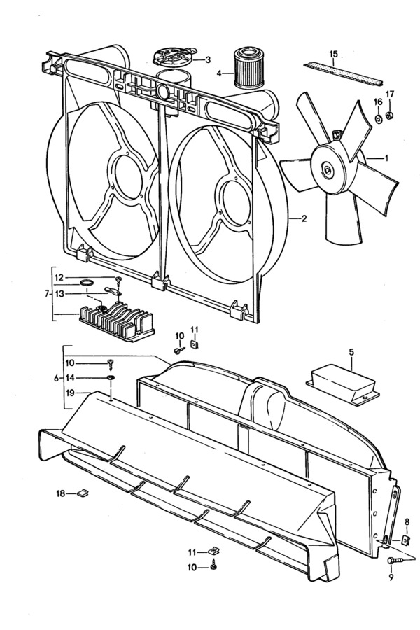
RADIATOR, THERMOSTAT & RESERVOIR

105-06

ENGINE COOLING FAN, SHROUD, DUCTS & FAN CONTROLLER

Air Cleaner

106-00

AIR CLEANER, 32V

Lh Jetronic

107-00

LH-JETRONIC AIR FLOW METER & THROTTLE BODY

107-05

LH-JETRONIC, INTAKE MANIFOLD

107-10

LJ-JETRONIC VACUUM HOSES

107-15

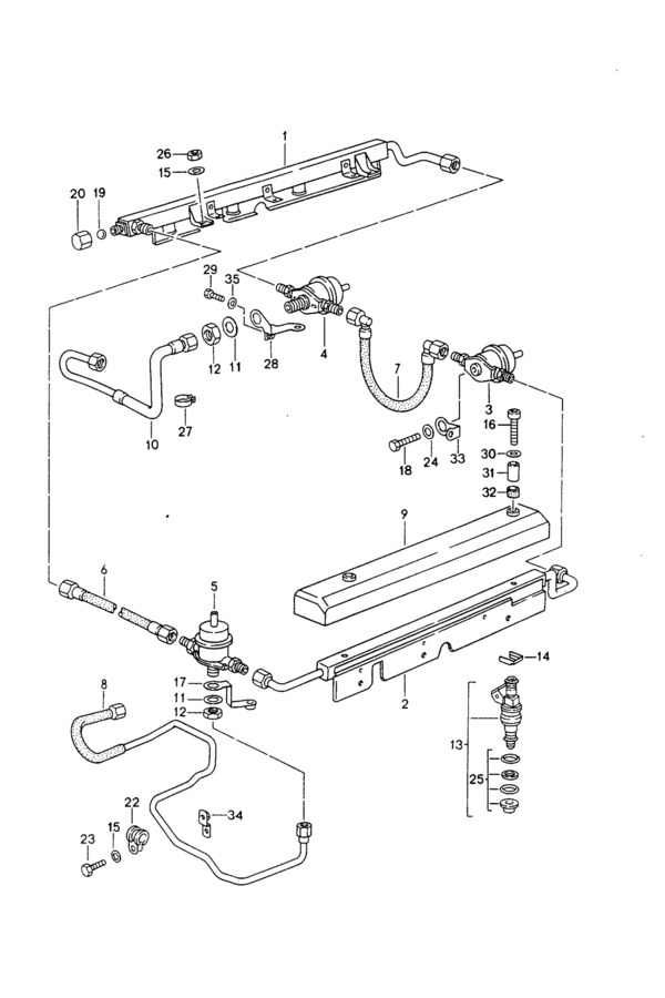
LH-JETRONIC FUEL RAILS, INJECTORS, LINES, REGULATORS

Air Injection

108-00

AIR INJECTION, FOR CARS WITH CATALYTIC CONVERTER

108-05

AIR INJECTION, FOR CARS WITHOUT CATALYTIC CONVERTER

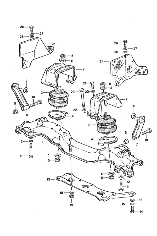
Engine Suspension

109-00

ENGINE MOUNTS

Repair Kits

198-00

HIDE