Manual Transmission

301-00

CLUTCH PARTS

301-05

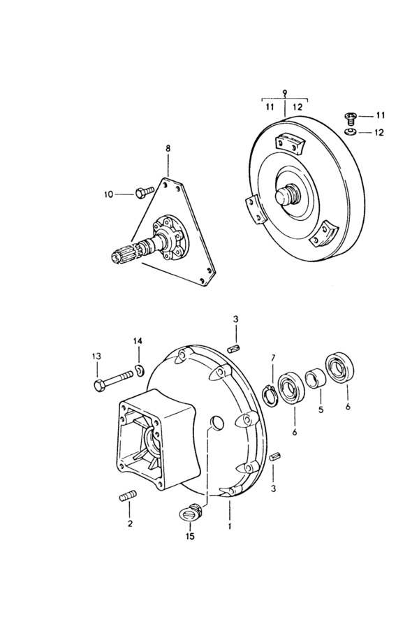
MANUAL TRANSMISSION TORQUE TUBE, CLUTCH HOUSING, RELEASE LEVER & SLAVE CYLINDER

Manual Transmission

302-00

REPLACEMENT MANUAL TRANSMISSION

Manual Transmission

303-00

MANUAL TRANSMISSION GEAR SETS, RING & PINION

303-05

MANUAL TRANSMISSION GEARS AND SHAFTS

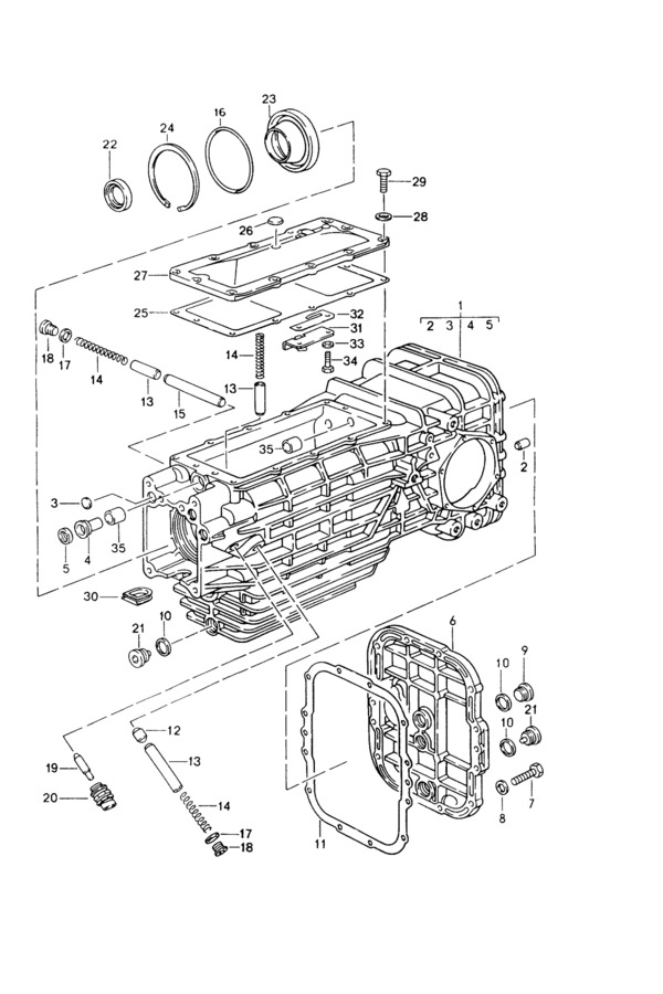
Manual Transmission

304-00

MANUAL TRANSMISSION SHIFT FORKS & RODS

Manual Transmission

305-00

MANUAL TRANSMISSION LIMITED SLIP DIFFERENTIAL

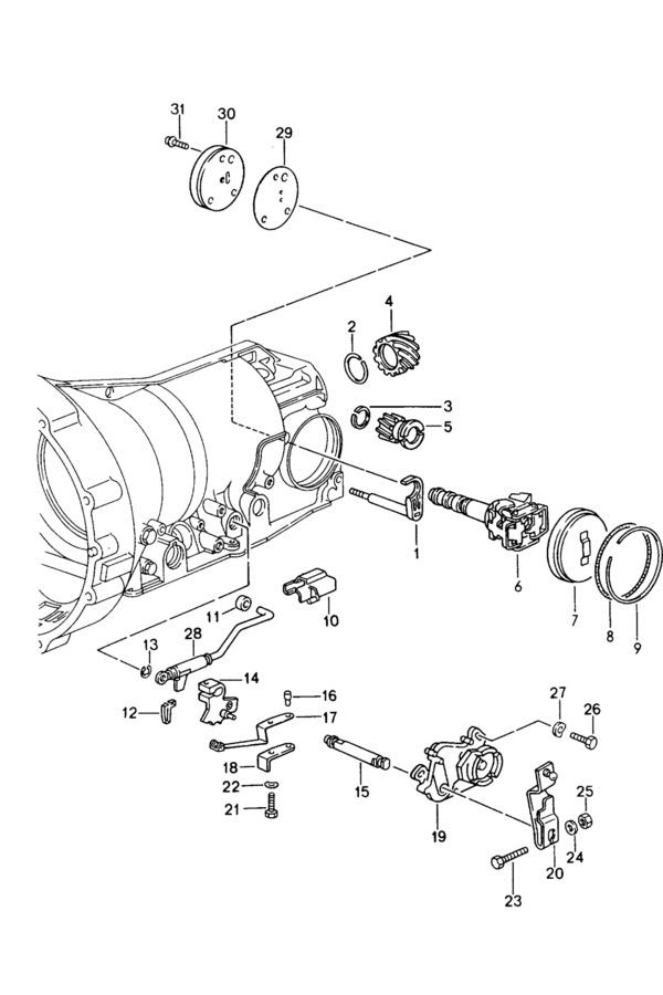
305-05

MANUAL TRANSMISSION LOCK CONTROL 1

305-10

MANUAL TRANSMISSION LOCK CONTROL 2

Manual Transmission

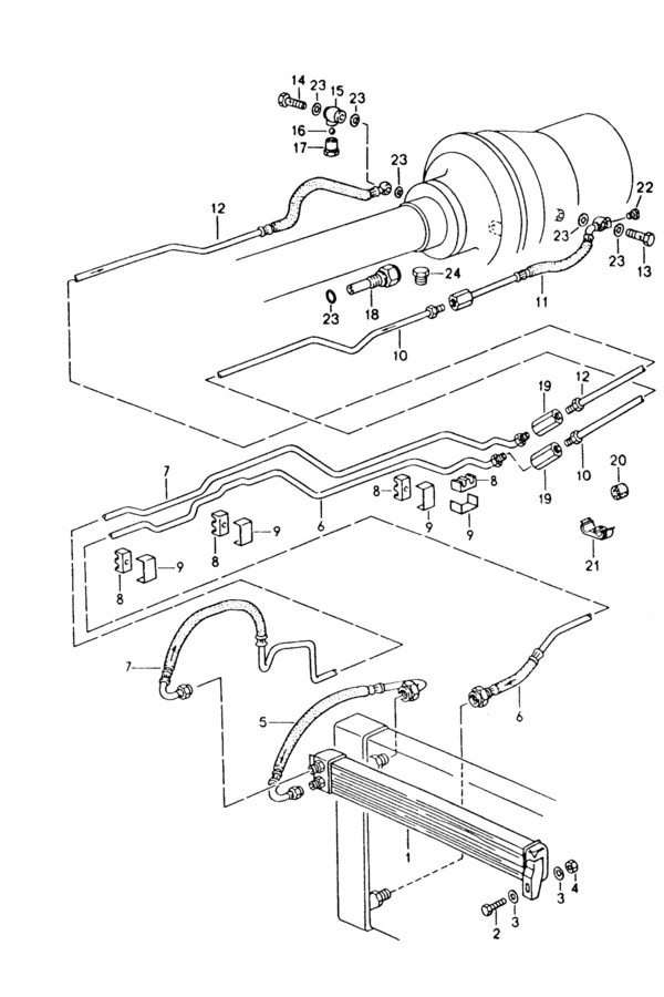
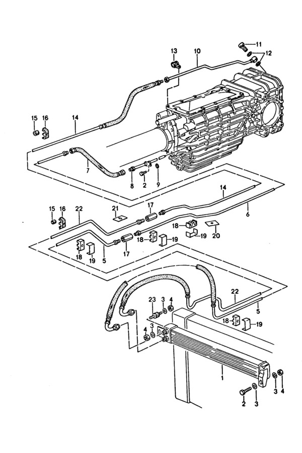
306-00

MANUAL TRANSMISSION OIL COOLER

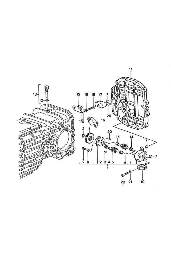
306-05

MANUAL TRANSMISSION OIL COOLER PUMP

Manual Transmission

307-00

MANUAL TRANSMISSION MOUNTS

Automatic Transmission

310-00

AUTOMATIC TRANSMISSION TORQUE TUBE

Automatic Transmission

320-00

REPLACEMENT AUTOMATIC TRANSMISSION

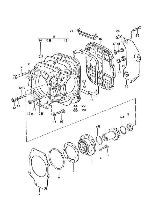
320-01

AUTOMATIC TRANSMISSION CASE

320-02

AUTOMATIC TRANSMISSION CASE PARTS

320-03

AUTOMATIC TRANSMISSION INTERMEDIATE PLATE & PARKING LOCK

Automatic Transmission

330-00

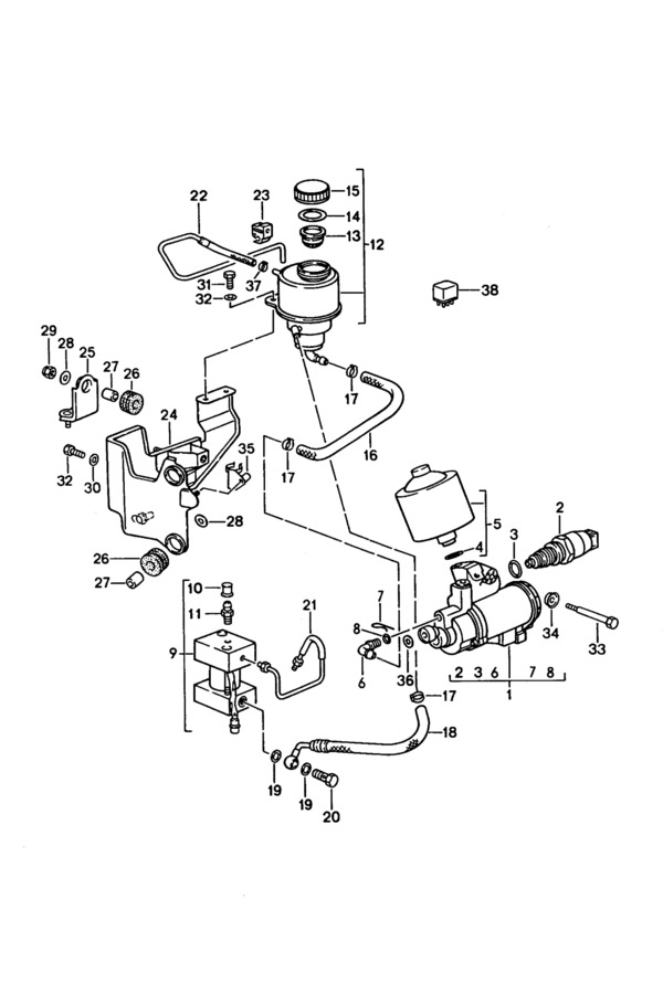
AUTOMATIC TRANSMISSION TORQUE CONVERTER & HOUSING

330-01

AUTOMATIC TRANSMISSION PRIMARY PUMP

330-02

AUTOMATIC TRANSMISSION K1 CLUTCH

330-03

AUTOMATIC TRANSMISSION K2 CLUTCH

330-04

AUTOMATIC TRANSMISSION PLANET GEAR CARRIER

Automatic Transmission

340-00

AUTOMATIC TRANSMISSION DRIVE SHAFT GEAR SET

340-01

AUTOMATIC TRANSMISSION FREE WHEEL LOCK

340-02

AUTOMATIC TRANSMISSION BRAKE BANDS

340-03

AUTOMATIC TRANSMISSION VALVE BODY, PAN & FILTER

Automatic Transmission

350-00

AUTOMATIC TRANSMISSION DIFFERENTIAL

350-01

AUTOMATIC TRANSMISSION LIMITED SLIP DIFFERENTIAL

350-02

AUTOMATIC TRANSMISSION LOCK CONTROL 1

350-03

AUTOMATIC TRANSMISSION LOCK CONTROL 2

Automatic Transmission

360-00

AUTOMATIC TRANSMISSION COOLER

Automatic Transmission

370-00

AUTOMATIC TRANSMISSION MOUNTS

Gasket Set

398-00

HIDE