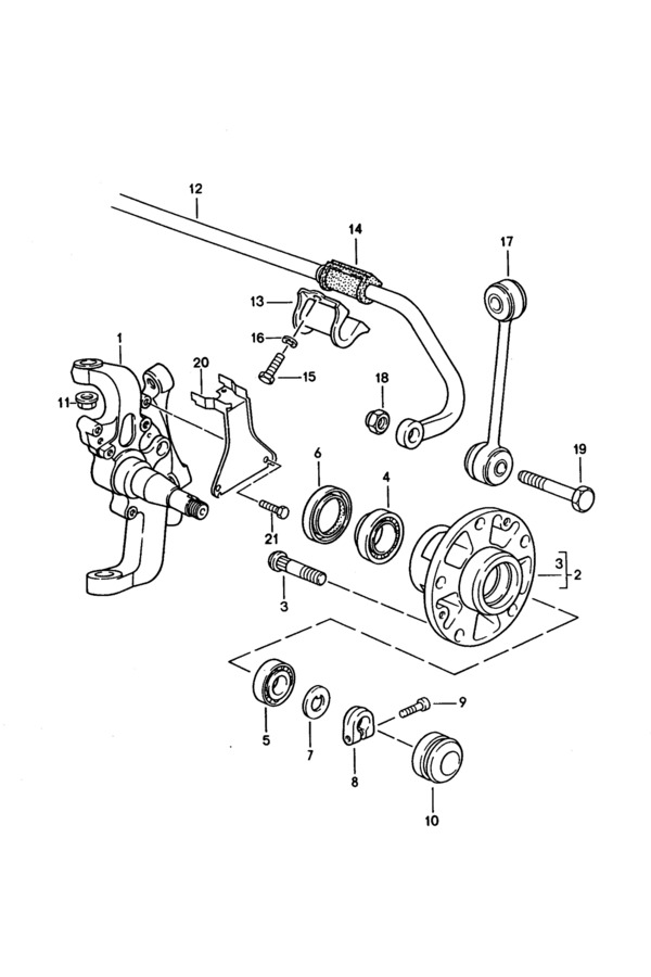
Wishbone, Steering Knuckle

401-00

CONTROL ARMS

401-05

FRONT SPINDLE, HUB, WHEEL BEARINGS & SWAY BAR

Suspension

402-00

FRONT SHOCK & COIL SPRINGS

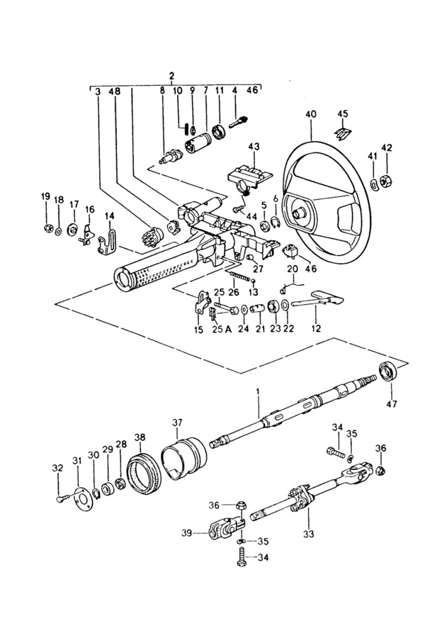
Steering Gear, Power Steering, Airbag

403-00

STEERING RACK, TIE RODS & INTERMEDIATE SHAFT

403-01

POWER STEERING LINES, PUMP & RESERVOIR

403-06

STEERING WHEEL, COLUMN & LOCK, WITH AIRBAG

403-07

AIRBAGS