Wheels, Tyre Pressure Monitoring

601-00

WHEEL, CENTER CAP & LUGS

601-05

TIRE PRESSURE MONITORING SYSTEM

Disc Brake

602-00

FRONT BRAKES

Disc Brake

603-00

REAR BRAKES

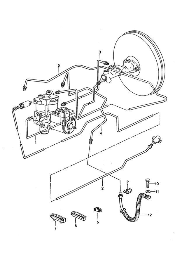
Brake Master Cylinder, Venturi Tube, Brake Lines, Hydraulic Unit

604-00

BRAKE MASTER CYLINDER, RESERVOIR & BOOSTER

604-01

POWER BRAKE BOOSTER VACUUM LINE

604-05

FRONT BRAKE LINES

604-10

REAR BRAKE LINES

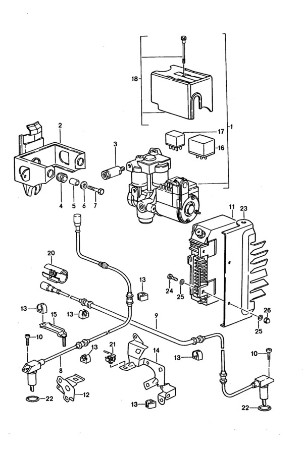
604-15

ABS CONTROL MODULE & SENSORS

Repair Kits

698-00

HIDE