Body In White, Body Front Section, Frame, Floor Section, Wing, Wheel Housing Liner, Roof

801-00

BODY SHELL

801-05

FRONT TUB/CLIP

801-10

QUARTER PANEL

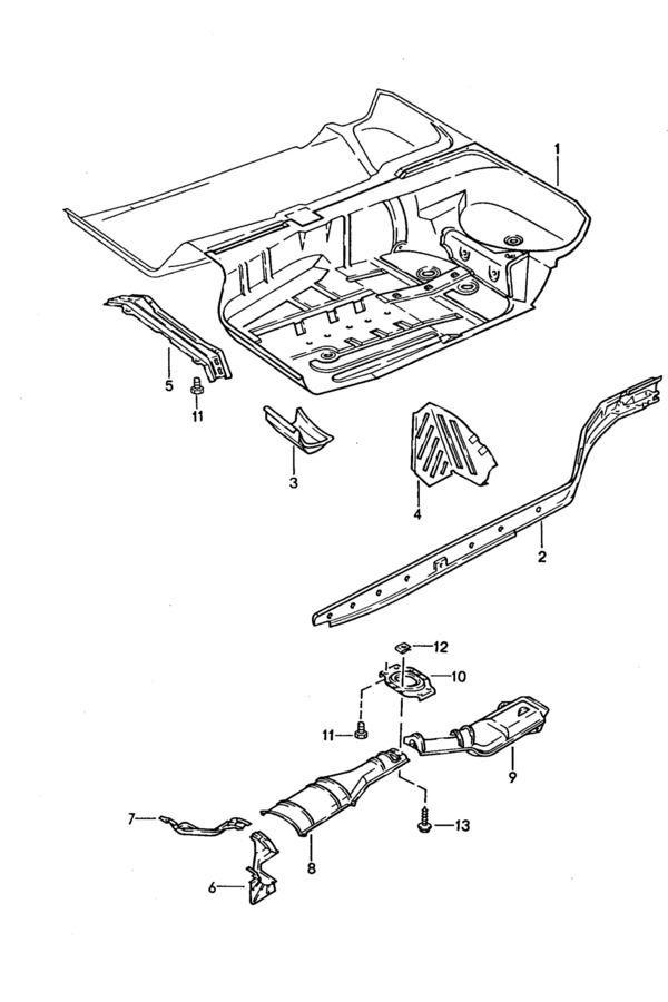
801-15

FLOOR PAN & HEAT SHIELDS

801-20

REAR BODY PARTS

801-25

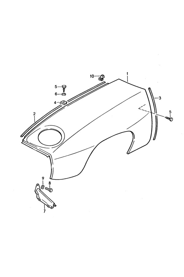
FENDERS

801-27

WHEEL WELL LINERS

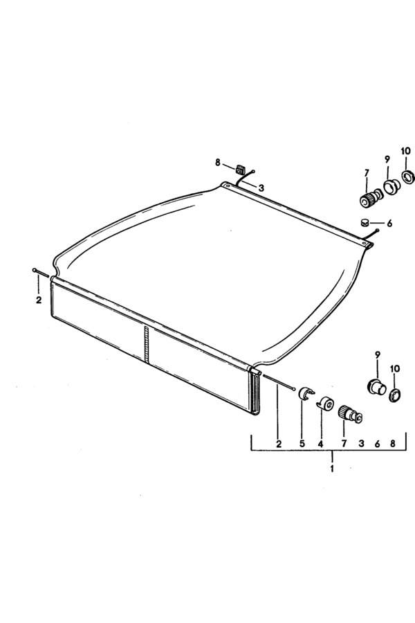
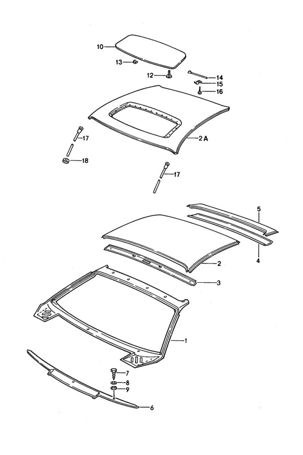
801-30

WINDSCREEN FRAME & ROOF

Bumper, Spoiler

802-00

FRONT BUMPER

802-05

REAR BUMPER

802-10

FRONT SPOILER

802-15

REAR SPOILER

Bonnet, Rear Lid

803-00

FRONT HOOD, LATCHES, HINGES, RELEASE

803-05

REAR HATCH, HINGES & LATCHES

Door In White, Installation Parts, Central Locking System, Power Windows

804-00

DOOR & SEAL

804-05

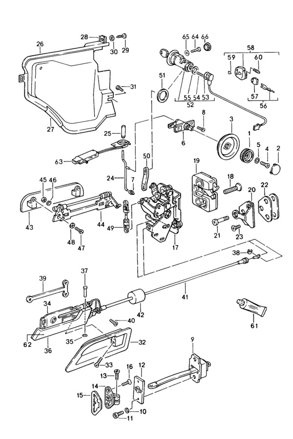
DOOR HANDLE, LATCH, HINGE & CHECK

804-10

POWER DOOR LOCKS

804-15

POWER WINDOWS REGULATOR, MOTOR & SEALS

Window Glazing

805-00

WINDOW GLASS

Pop Up Headlight

806-00

POP UP HEADLIGHT LINKAGE, MOTOR & COVER

Body, Linings, Door Trim Panel, Package Box

807-00

INTERIOR INSULATION 1

807-01

INTERIOR INSULATION 2

807-05

INTERIOR CARPET & TRIM

807-10

DOOR PANELS & HEADLINER

807-20

PACKAGE BOX REAR

Seat, Cloth

808-00

FRONT SEATS COMPLETE

808-05

HIDE

Dashboard Trim, Cassette Box, Centre Console, Sun Visor, Door Mirror, Luggage Compartment Cover

809-00

DASHBOARD & GLOVEBOX

809-03

CENTER CONSOLE BOX

809-05

CENTER CONSOLE

809-10

SUNVISORS & MIRRORS

809-11

DOOR MIRROR

809-15

LUGGAGE COMPARTMENT COVER

Moulding, Sill Cover

810-00

EXTERIOR EMBLEMS & TRIM

810-05

ROCKER PANEL COVERS

Sunroof

811-00

POWER SUNROOF PARTS

Seat Belt

812-00

FRONT SEATBELT

812-05

REAR SEATBELT

Automatic Air Conditioner, Assembly, Auxiliary Air Conditioner, Air Conditioner, Conversion Set

813-05

HVAC CONTROL PANEL & FAN

813-10

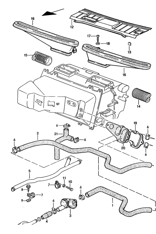
HEATER CONTROL VALVE, HOSES AND DEFROSTER

813-15

AC COMPRESSOR

813-20

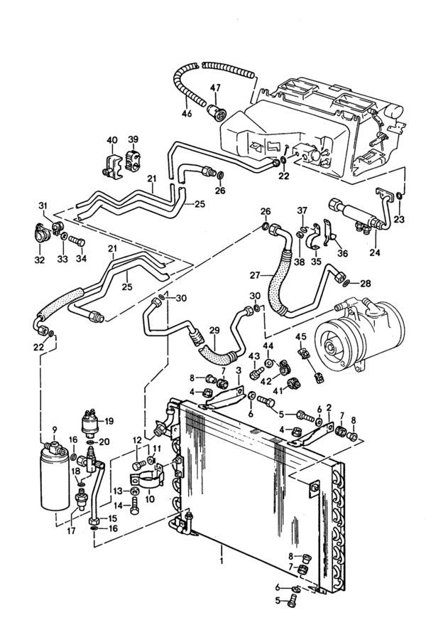
AC CONDENSER & LINES, -1992

813-21

AC CONDENSER & LINES, 1993-

813-25

AUXILIARY AC EVAPORATOR, BLOWER & LINES

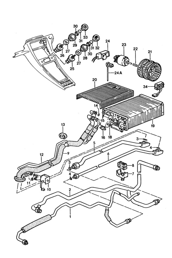
813-30

AC EVAPORATOR, HEATER CORE & PARTS

813-60

HIDE

Repair Kits

898-00

HIDE