Engine Electrics, Generator

901-00

SPARK PLUGS, WIRES, IGNITION COIL, DISTRIBUTOR CAPS, IGNITION SWITCH

901-02

DME, IGNITION CONTROL UNIT, HALL SENSOR & PULSE SENDER

901-05

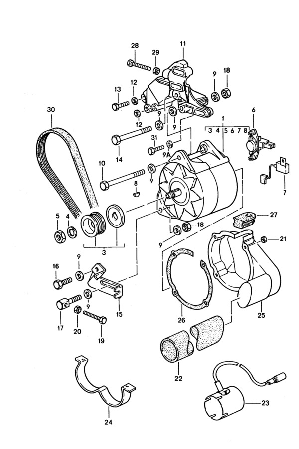
ALTERNATOR

Starter, Wiring Harness

902-00

STARTER

902-05

ENGINE BAY & FRONT LIGHT WIRING HARNESSES

902-06

ENGINE BAY WIRING HARNESS

902-08

LH-JETRONIC ENGINE WIRING HARNESS

902-10

DASHBOARD WIRING HARNESS

902-11

DOOR WIRING HARNESS

902-12

PASSENGER COMPARTMENT WIRING HARNESSES

902-15

SPEAKER WIRING HARNESS

902-17

ABS WIRING HARNESSES

902-20

REAR END WIRING HARNESS

Switch, Fanfare, Central Electrical System

903-00

DASHBOARD, CONSOLE & STEERING COLUMN SWITCHES

903-05

HORN

903-10

FUSE & RELAY PANEL

Windscreen Wiper System, Rear Window Wiper, Windscreen Washer System

904-00

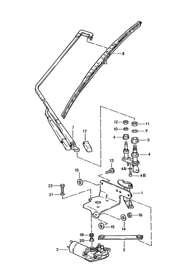
FRONT WINDSCREEN WIPER

904-05

REAR WINDCREEN WIPER

904-10

WINDSCREEN & HEADLAMP WASHER SYSTEM

Headlamp, Rear Light, Interior Lights

905-05

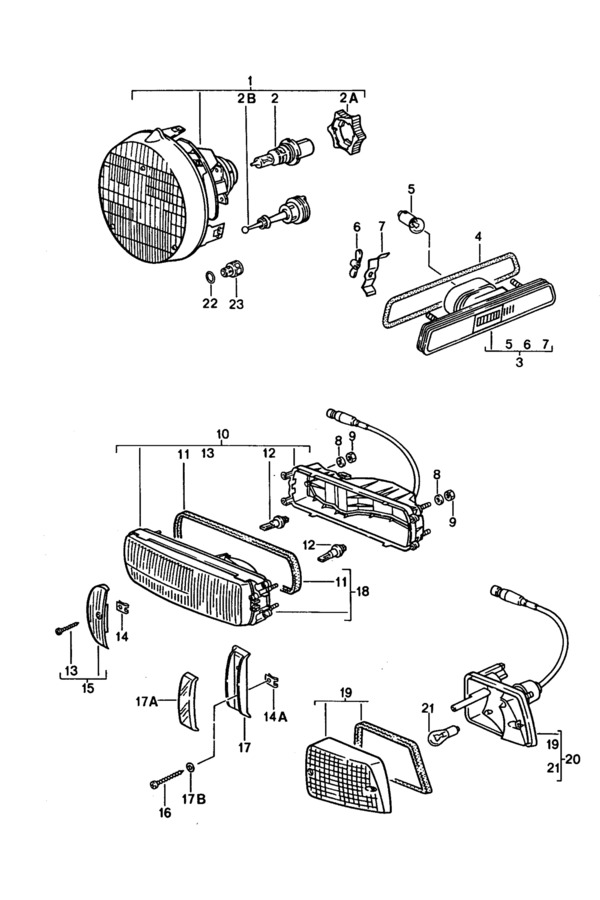
HEADLAMPS, TURN SIGNAL, FOG LAMPS, SIDE MARKER & PARKING LAMPS

905-10

TAILLAMPS, SIDE MARKER, LICENSE PLATE LAMP & THIRD BRAKE LAMP

905-15

INTERIOR LAMPS

Instrument Cluster, Central Indicator

906-00

INSTRUMENT CLUSTER

906-05

CENTER CONSOLE CLOCK & SWITCH

Cruise Control

907-00

CRUISE CONTROL SYSTEM

Radio, Sound System

911-00

RADIO & CD CHANGER

911-05

RADIO AMPLIFIER & SPEAKERS