Coupling, Clutch Release

301-000

COUPLING

301-001

COUPLING 9770 GT2 RS

301-005

CLUTCH RELEASE CLUTCH SLAVE CYLINDER SEE ILLUSTRATION: G9755 702 008

301-006

CLUTCH RELEASE CLUTCH SLAVE CYLINDER SEE ILLUSTRATION: GT2 RS G9788 702 008

Replacement Transmission, Gear Housing

302-000

REPLACEMENT TRANSMISSION G9755

302-001

GEAR HOUSING G9755

302-003

REPLACEMENT TRANSMISSION G9788 GT2 RS

302-004

GEAR HOUSING G9788 GT2 RS

302-005

GEAR HOUSING GEARBOX COVER GT2 RS G9788

Gear Wheel Sets, Gears And Shafts

303-001

GEAR WHEEL SETS G9788 GT2 RS

303-007

GEARS AND SHAFTS G9788

303-011

GEARS AND SHAFTS G9788 GT2 RS

Selector Shaft

304-000

SELECTOR SHAFT G9755

304-001

SELECTOR SHAFT G9788 GT2 RS

Limited Slip Differential, Front Axle Differential

305-005

LIMITED SLIP DIFFERENTIAL G9788 GT2 RS

305-010

FRONT AXLE DIFFERENTIAL CARDAN SHAFT

305-015

FRONT AXLE DIFFERENTIAL

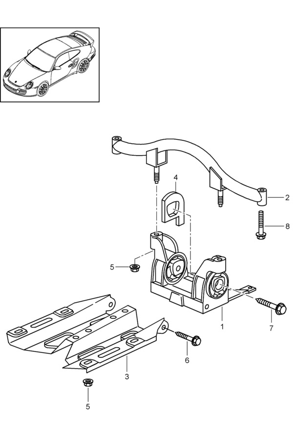
Transmission Suspension

306-000

TRANSMISSION SUSPENSION G9755,G9788

306-010

TRANSMISSION SUSPENSION CG150

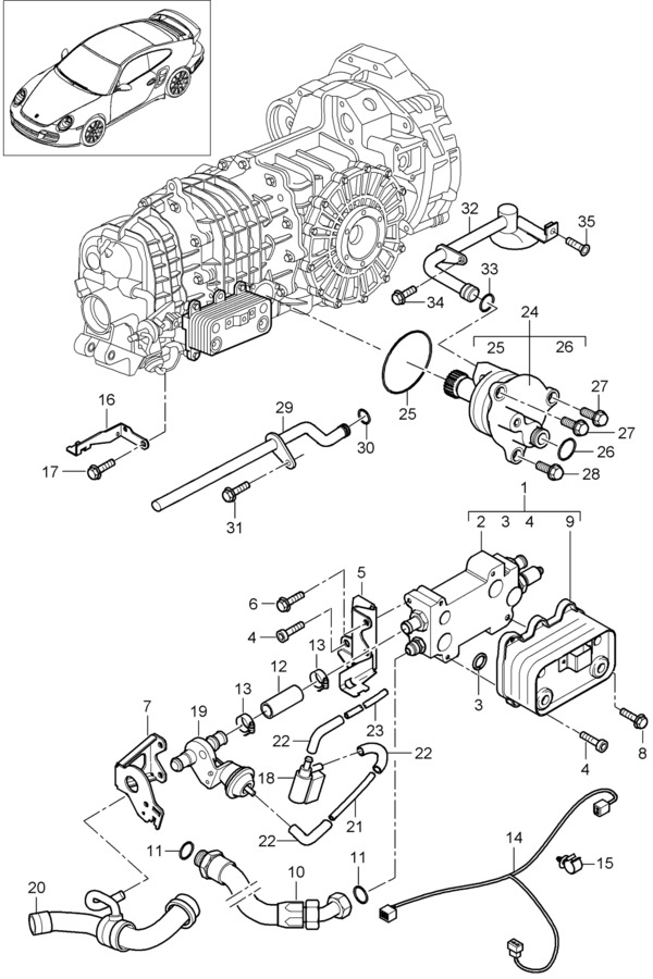
Gear Oil Cooler

307-000

GEAR OIL COOLER LINES OIL PUMP GT2 RS G9788

Pdk

320-000

PDK GEARBOX REPLACEMENT TRANSMISSION CG150

320-005

PDK GEARBOX INDIVIDUAL PARTS

Pdk

360-000

PDK GEARBOX HEAT EXCHANGER OIL PIPE WATER PIPE CG150