54610190170
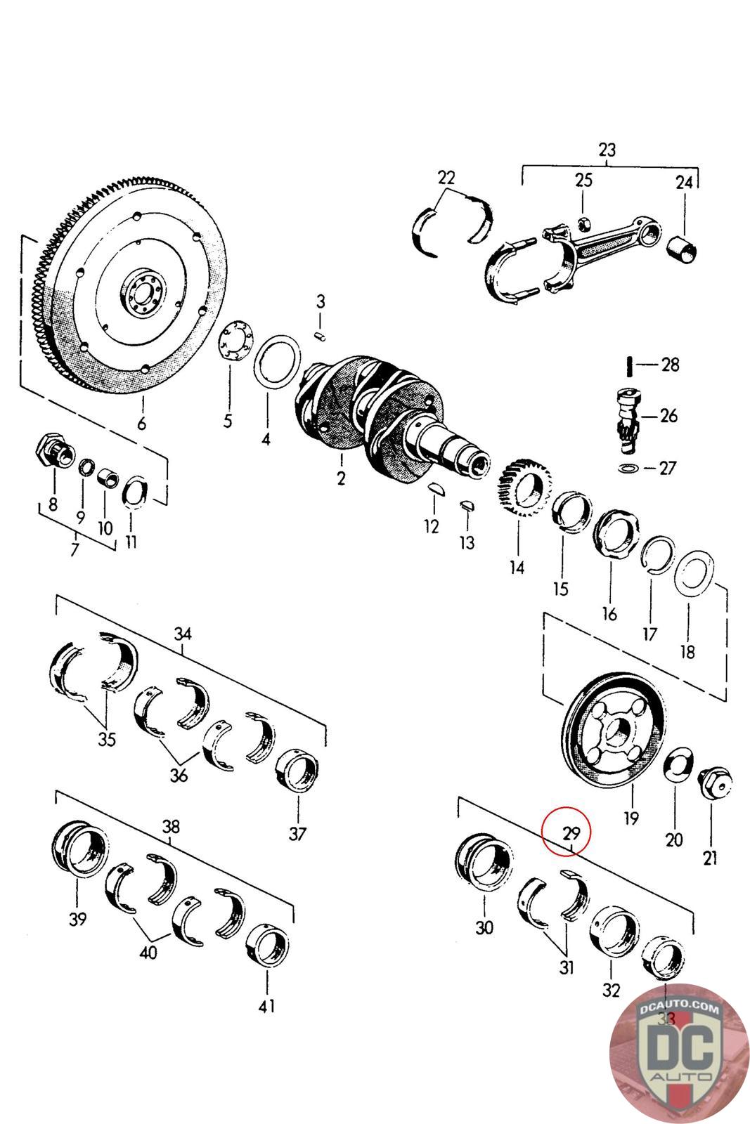
SET OF CRANKSHAFT BEARINGS OVERSIZE OUTER 0.25-MM UNDERSIZE INNER 0.25-MM COMPRISING:
546 101 901 70 [1600 /S]
SELECT
SERIAL #
53435
DESCRIPTION
-
CONDITION
USED - X
MILEAGE
-
PRICE
$228.40
$304.53
QTY
Available: 999
53435
-
USED - X
-
$
228.40
On Sale! $304.53
Available: 999