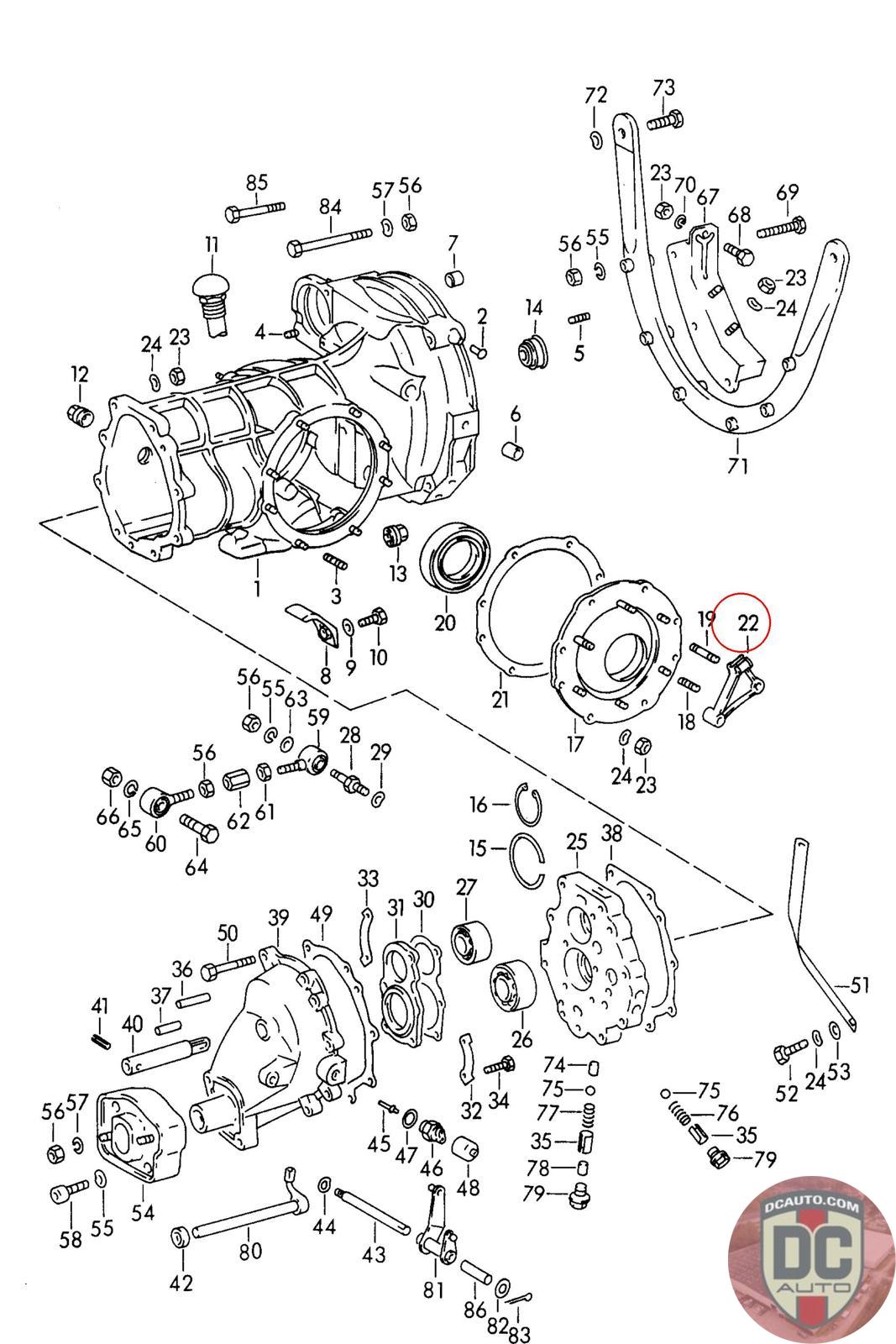
64423327
BRACKET FOR CLUTCH CABLE
6 442 332 7
SELECT
SERIAL #
49654
DESCRIPTION
-
CONDITION
USED - X
MILEAGE
-
PRICE
$47.16
$62.88
QTY
Available: 999
49654
-
USED - X
-
$
47.16
On Sale! $62.88
Available: 999