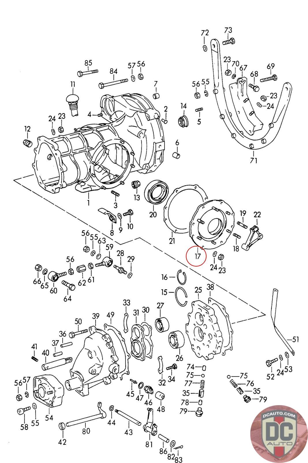
644200111
HOUSING COVER
644 200 111 [/L]
SELECT
SERIAL #
51231
DESCRIPTION
-
CONDITION
USED - X
MILEAGE
-
PRICE
$128.72
$171.63
QTY
Available: 999
51231
-
USED - X
-
$
128.72
On Sale! $171.63
Available: 999