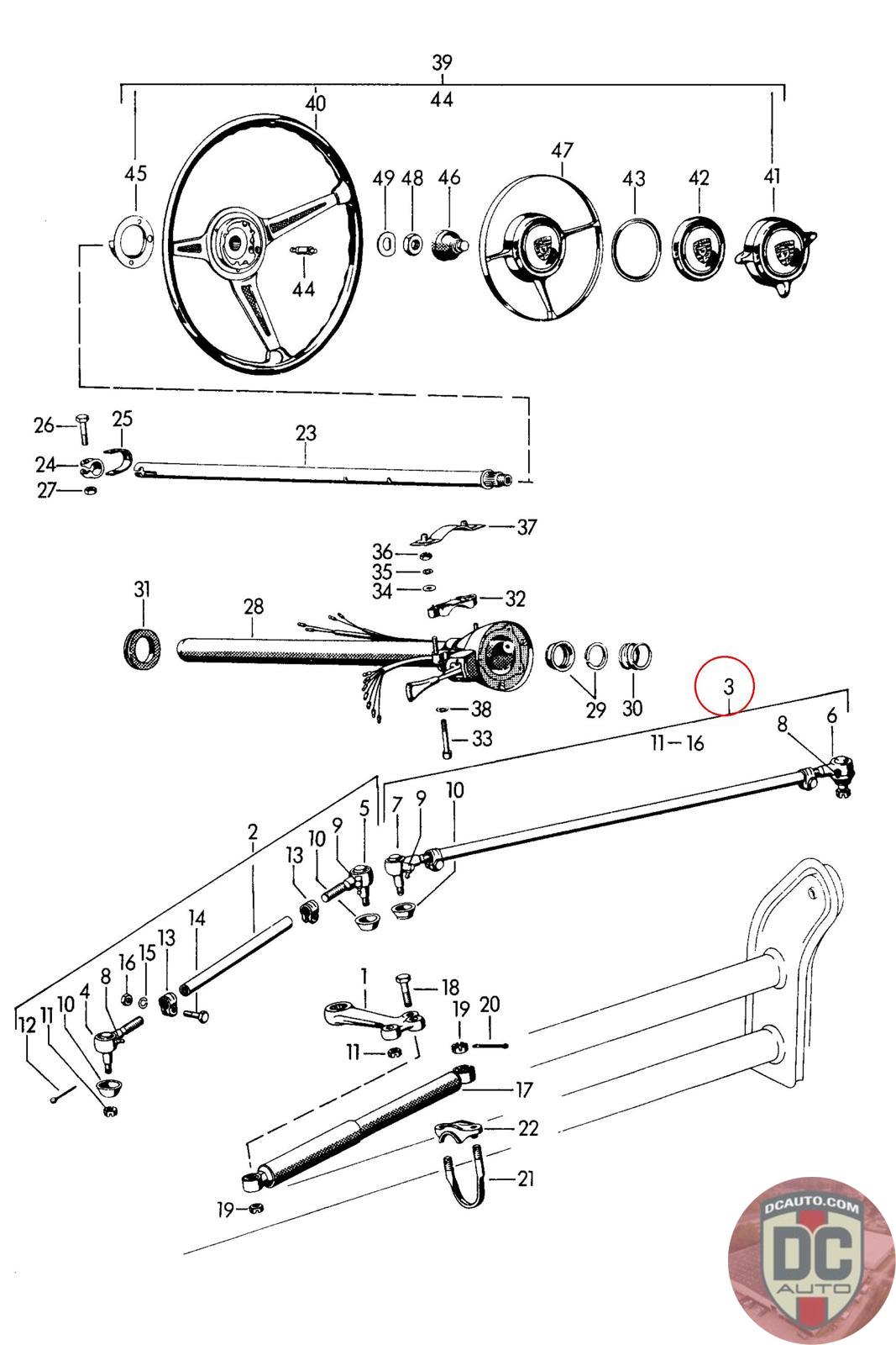
64434731201
TRACK ROD LEFT THREAD TIE ROD RIGHT OUTER F 101 693 >> F 61 893 >> F 83 792 >>
644 347 312 01 [/LL /R]
SELECT
SERIAL #
53716
DESCRIPTION
-
CONDITION
USED - X
MILEAGE
-
PRICE
$150.70
$200.93
QTY
Available: 999
53716
-
USED - X
-
$
150.70
On Sale! $200.93
Available: 999