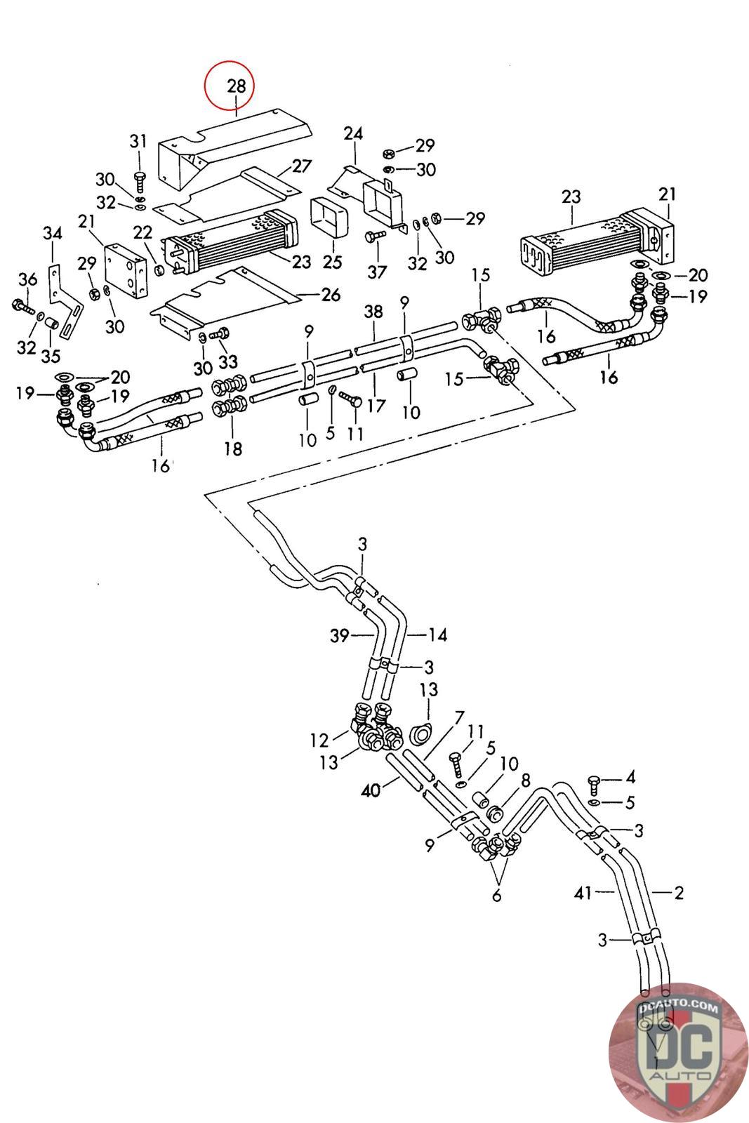
69210741301
AIR DUCT UPPER
692 107 413 01 [/L /H]
SELECT
SERIAL #
55222
DESCRIPTION
-
CONDITION
USED - X
MILEAGE
-
55222
-
USED - X
-