74130551100
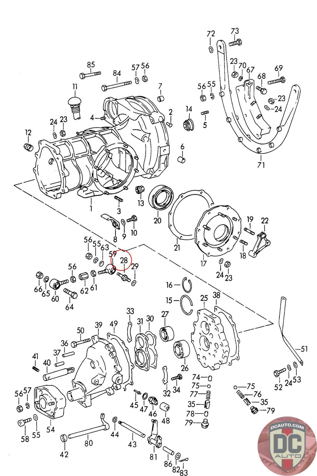
BOLT CONTROL ARM F >> 110 406 - F >> 153 022 UP TO TRANSMISSION NUMBER 35 000 B= FROM TRANSMISSION NUMBER 35 001
741 305 511 00 [COUPE -REUTER CABRIO HARDTOP ROADSTER]
SELECT
SERIAL #
55548
DESCRIPTION
-
CONDITION
USED - X
MILEAGE
-
PRICE
$27.62
$36.83
QTY
Available: 999
55548
-
USED - X
-
$
27.62
On Sale! $36.83
Available: 999