74130502100
F >> 110 406 - F >> 153 022 UP TO TRANSMISSION NUMBER 35 000 B= FROM TRANSMISSION NUMBER 35 001
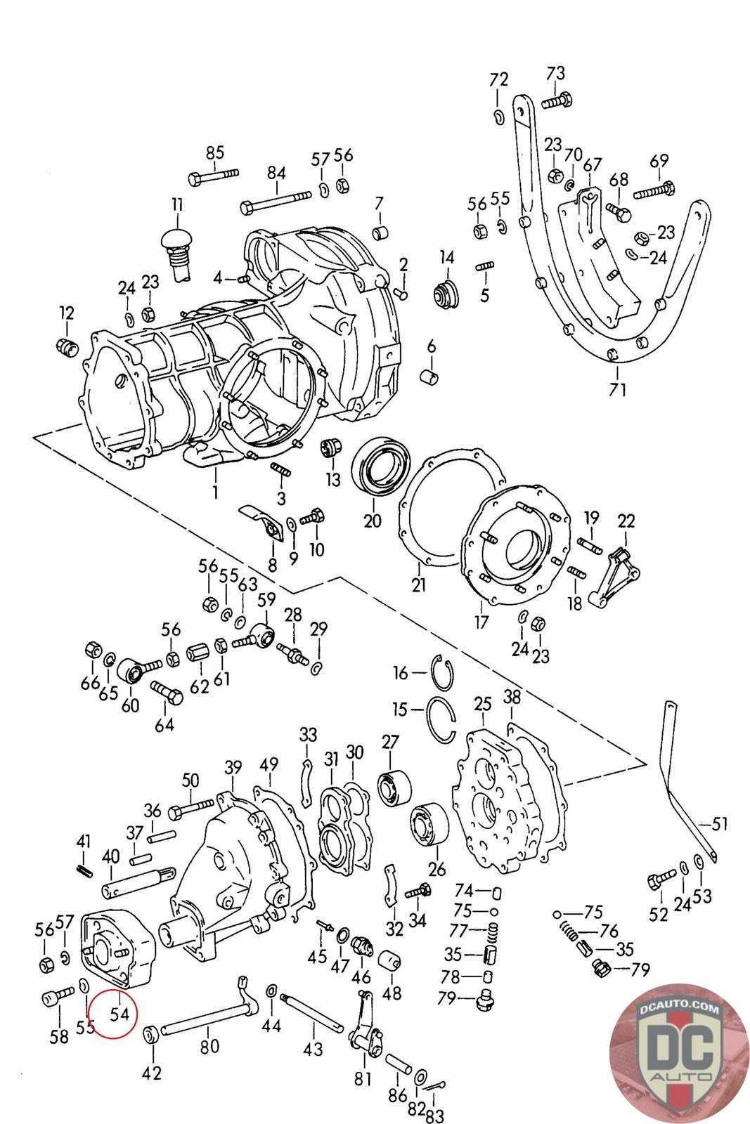
741 305 021 00 [/V] [COUPE -REUTER CABRIO HARDTOP ROADSTER]
SELECT
SERIAL #
55542
DESCRIPTION
-
CONDITION
USED - X
MILEAGE
-
PRICE
$53.00
$70.67
QTY
Available: 999
55542
-
USED - X
-
$
53.00
On Sale! $70.67
Available: 999