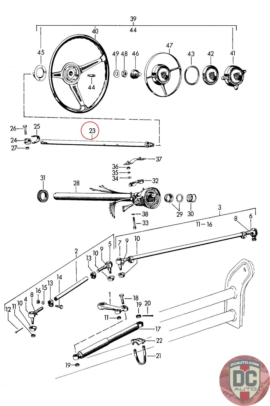
69534760101
STEERING SHAFT
695 347 601 01 [356 B]
SELECT
SERIAL #
55346
DESCRIPTION
-
CONDITION
USED - X
MILEAGE
-
PRICE
$26.88
$35.84
QTY
Available: 999
55346
-
USED - X
-
$
26.88
On Sale! $35.84
Available: 999