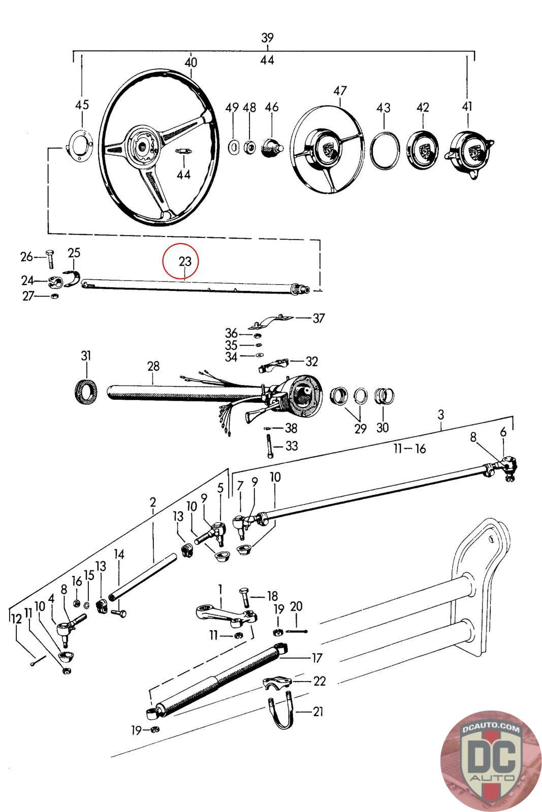
69534760102
STEERING SHAFT NOT FOR - CARRERA 2000-
695 347 601 02 [356 C]
SELECT
SERIAL #
55347
DESCRIPTION
-
CONDITION
USED - X
MILEAGE
-
PRICE
$26.88
$35.84
QTY
Available: 999
55347
-
USED - X
-
$
26.88
On Sale! $35.84
Available: 999