64434700805
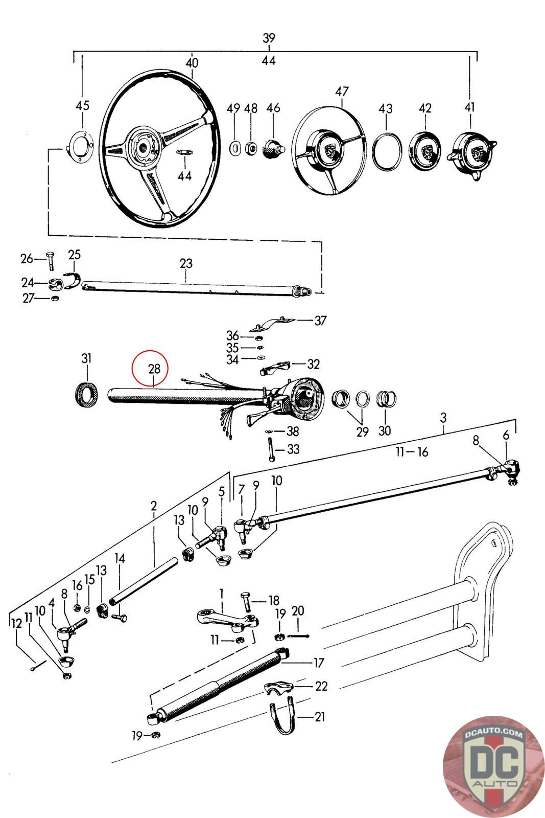
STEERING OUTER TUBE 30-MM
644 347 008 05 [/LL] [356 B:M]
SELECT
SERIAL #
53690
DESCRIPTION
-
CONDITION
USED - X
MILEAGE
-
PRICE
$83.34
$111.12
QTY
Available: 999
53690
-
USED - X
-
$
83.34
On Sale! $111.12
Available: 999