69534702001
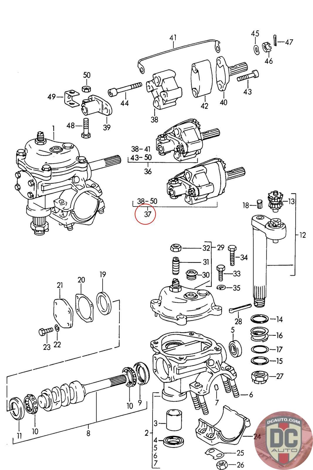
STEERING COUPLING STEERING COLUMN /LL 356 C:M EXTENSION 30 + 60-MM NOT FOR - CARRERA 2000-
695 347 020 01 [/RL /LL] [356 C 356 C:M]
SELECT
SERIAL #
55344
DESCRIPTION
-
CONDITION
USED - X
MILEAGE
-
PRICE
$32.77
$43.69
QTY
Available: 999
55344
-
USED - X
-
$
32.77
On Sale! $43.69
Available: 999