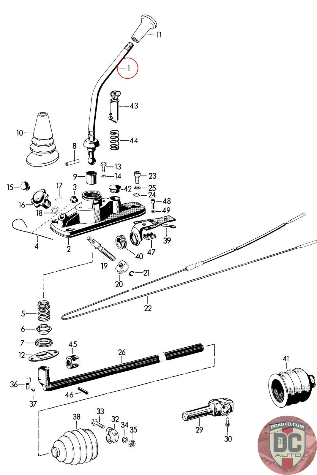
69542401103
GEARSHIFT LEVER USE ALSO: 695.424.015.01 1 F >> 110 406 -REUTTER- F >> 153 022
695 424 011 03 [qty: 1] [COUPE -REUTTER- CABRIO HARDTOP ROADSTER]
SELECT
SERIAL #
55414
DESCRIPTION
-
CONDITION
USED - X
MILEAGE
-
PRICE
$43.72
$58.29
QTY
Available: 999
55414
-
USED - X
-
$
43.72
On Sale! $58.29
Available: 999