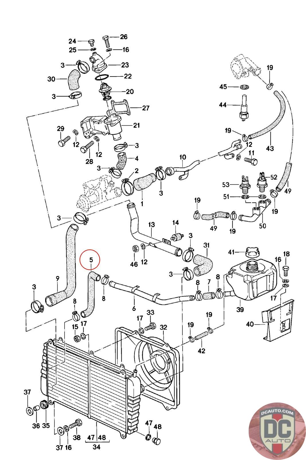
93110626701
WATER HOSE
931 106 267 01
SELECT
PART NO
93110626701
DESCRIPTION
Note this is an international special order item, delivery estimate varies.
CONDITION
NEW - OEM
PRICE
$53.98
QTY
Available: 999
93110626701
Note this is an international special order item, delivery estimate varies.
NEW - OEM
$
53.98
Available: 999