92853733402
COVERING FOR LOCK, .
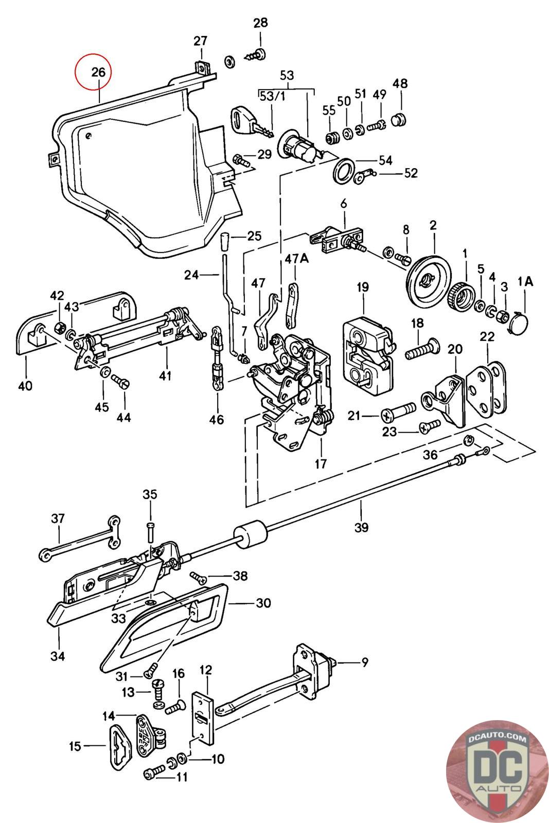
928 537 334 02 [/R -80]
SELECT
PART NO
92853733402
DESCRIPTION
Note this is a special order item, delivery estimate 1-2 weeks.
CONDITION
NEW - GENUINE PORSCHE
MANUFACTURER
-
PRICE
$10.97
QTY
Available: 999
92853733402
Note this is a special order item, delivery estimate 1-2 weeks.
NEW - GENUINE PORSCHE
-
$
10.97
Available: 999