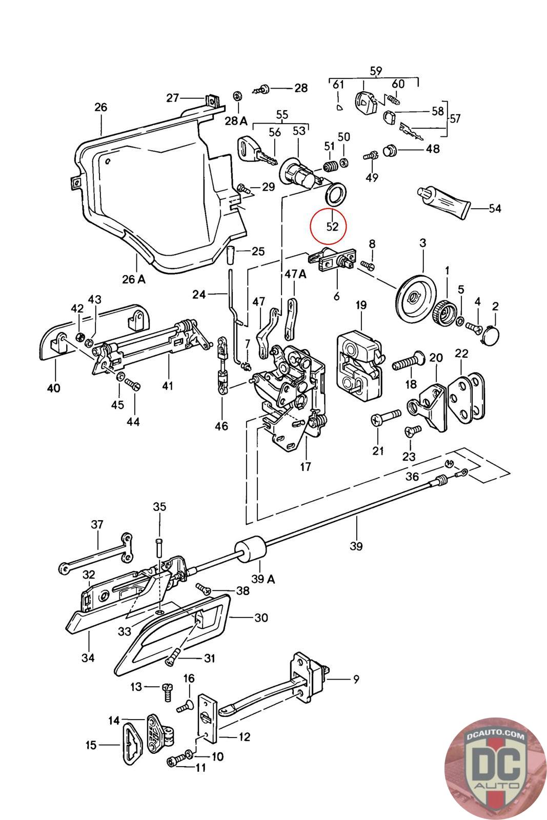
92853753102
DESK PAD FOR LOCK CYLINDER, .
928 537 531 02
SELECT
PART NO
92853753102
DESCRIPTION
Note this is a special order item, delivery estimate 1-2 weeks.
CONDITION
NEW - GENUINE PORSCHE
MANUFACTURER
-
PRICE
$5.97
QTY
Available: 999
92853753102
Note this is a special order item, delivery estimate 1-2 weeks.
NEW - GENUINE PORSCHE
-
$
5.97
Available: 999