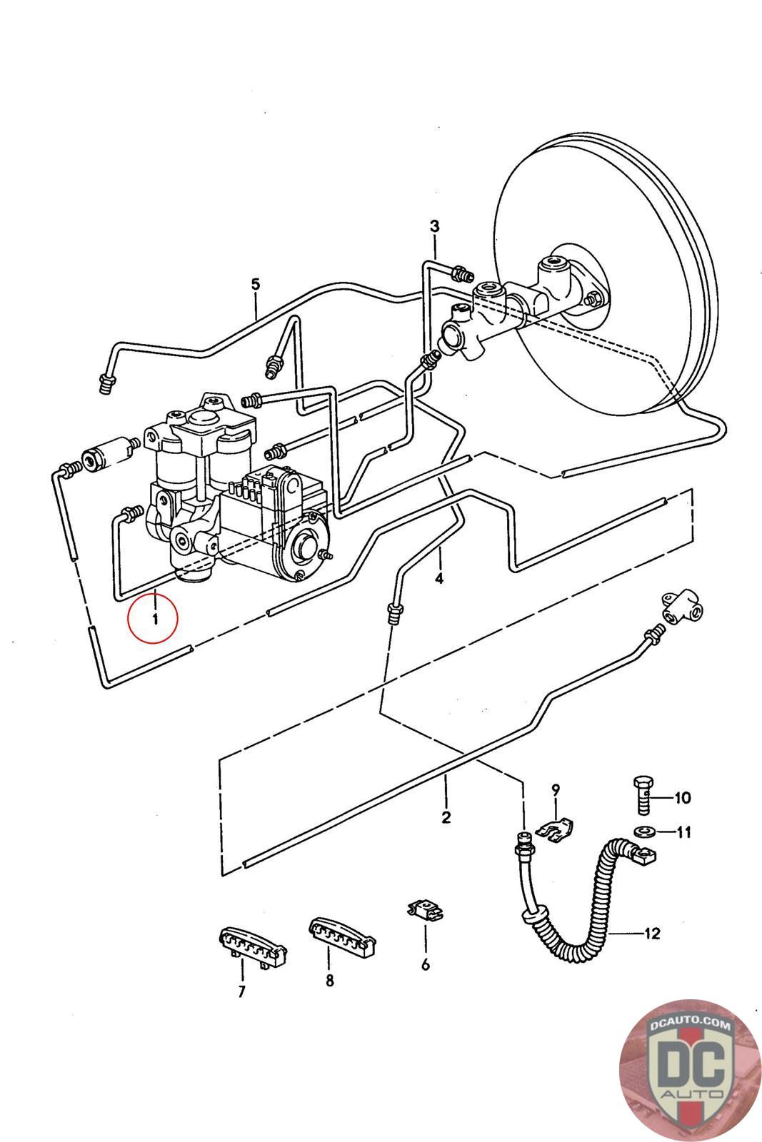
92835513100
BRAKE LINE
928 355 131 00 [From 92GS8 60061]
SELECT
SERIAL #
79854
DESCRIPTION
Good - Used
CONDITION
USED - A
MILEAGE
162411
79854
Good - Used
USED - A
162411
$
56.25
On Sale! $75.00
SEE MORE VEHICLE PHOTOS
Available: 1
SELECT
SERIAL #
61193
DESCRIPTION
-
CONDITION
USED - X
MILEAGE
-
PRICE
$56.25
$75.00
QTY
Available: 999
61193
-
USED - X
-
$
56.25
On Sale! $75.00
Available: 999