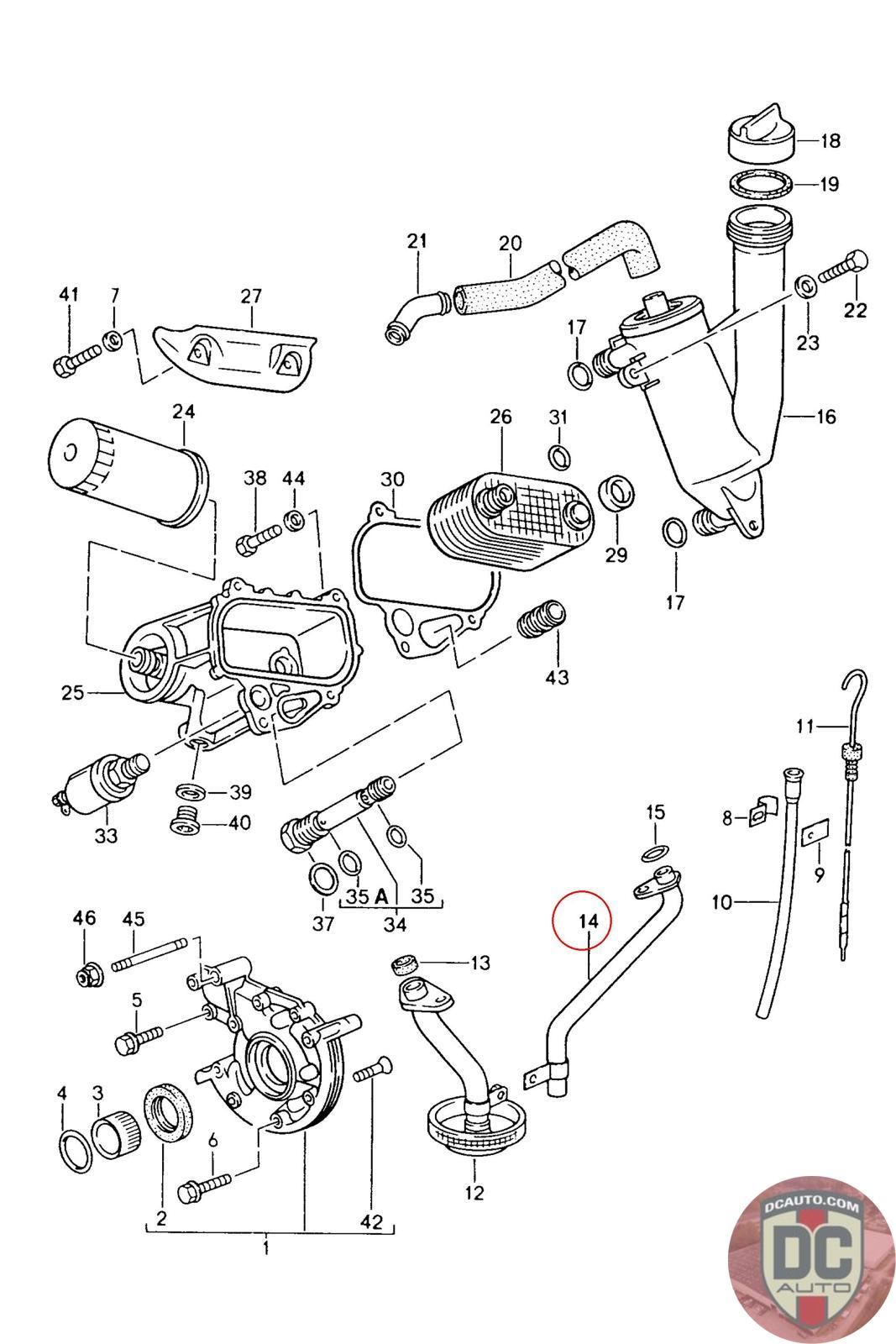
94410718305
OIL RETURN PIPE, NOTE ENG CODE SPLIT *
944 107 183 05 [M44.02 M44.04]
SELECT
SERIAL #
64021
DESCRIPTION
-
CONDITION
USED - X
MILEAGE
-

64021
-
USED - X
-
