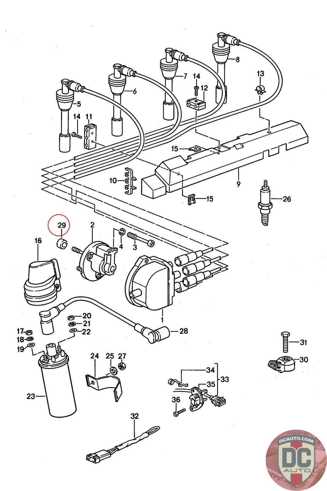
94410513701
SPACER SLEEVE 25 P 944 105 137 02 SPACER SLEEVE 3, .
944 105 137 01
SELECT
PART NO
94410513701
DESCRIPTION
Note this is a special order item, delivery estimate 1-2 weeks.
CONDITION
NEW - GENUINE PORSCHE
MANUFACTURER
-
PRICE
$8.97
OUT OF STOCK
94410513701
Note this is a special order item, delivery estimate 1-2 weeks.
NEW - GENUINE PORSCHE
-
$
8.97
Available: 0