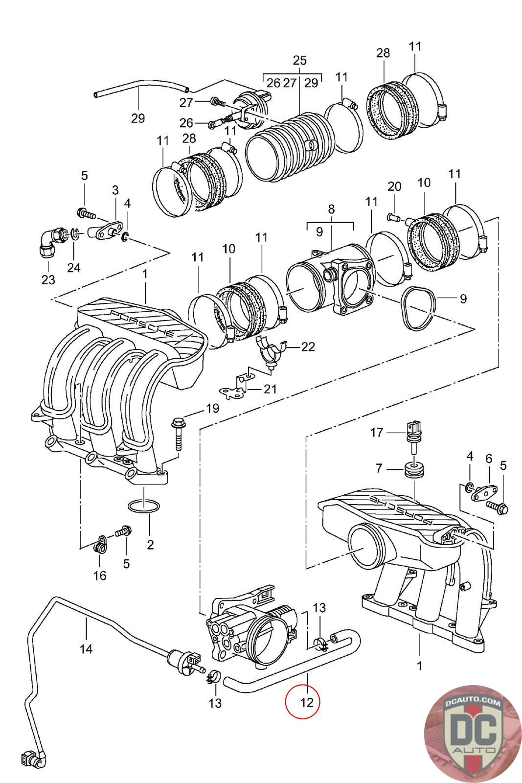
99611013701
VENT LINE, SUPERSEDED TO 99611013702, (U) $>E
996 110 137 01 [00-02 03-] [M96.21/22 M96.23/24]
SELECT
PART NO
99611013701
DESCRIPTION
Note this is a special order item, delivery estimate 1-2 weeks.
CONDITION
NEW - GENUINE PORSCHE
MANUFACTURER
-
PRICE
$55.97
QTY
Available: 999
99611013701
Note this is a special order item, delivery estimate 1-2 weeks.
NEW - GENUINE PORSCHE
-
$
55.97
Available: 999