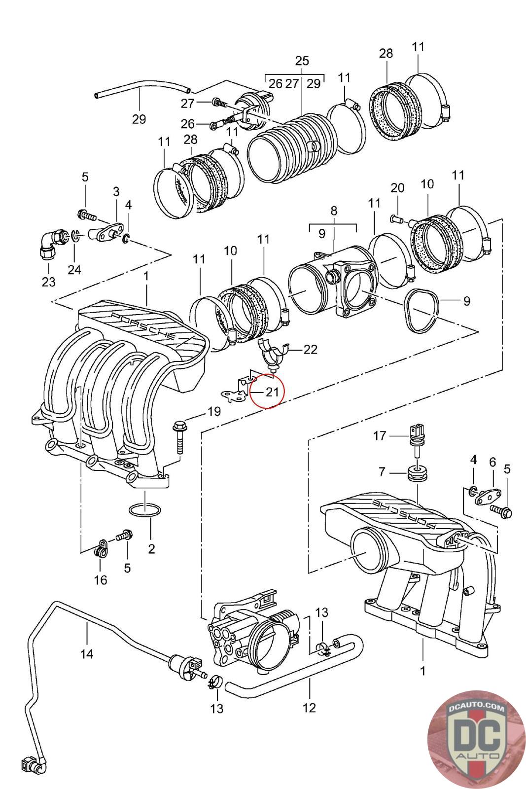
98660710301
SUPPORT, .
986 607 103 01 [98-]
SELECT
PART NO
98660710301
DESCRIPTION
Note this is a special order item, delivery estimate 1-2 weeks.
CONDITION
NEW - GENUINE PORSCHE
MANUFACTURER
-
PRICE
$7.97
QTY
Available: 999
98660710301
Note this is a special order item, delivery estimate 1-2 weeks.
NEW - GENUINE PORSCHE
-
$
7.97
Available: 999