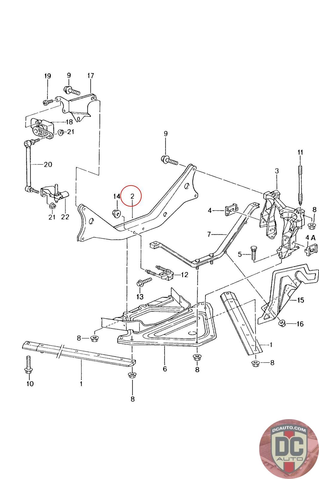
98633107107
CROSS MEMBER, SUPERSEDED TO 98633107109, 98633107110, 98633107111
986 331 071 07
SELECT
SERIAL #
91521
DESCRIPTION
Good used.
CONDITION
USED - A
MILEAGE
108342
91521
Good used.
USED - A
108342
$
50.00
SEE MORE VEHICLE PHOTOS
Available: 1