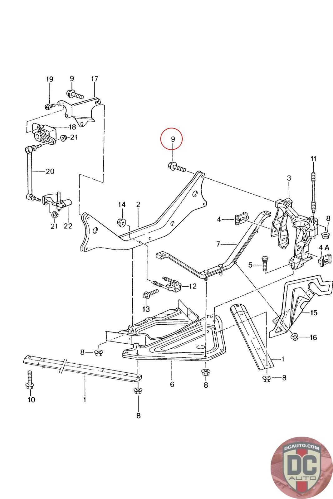
99907202309
HEXAGON-HEAD BOLT M10X45, SUPERSEDED TO 99907203709
999 072 023 09 [Till 98XS6 20208, 98XU6 21359]
SELECT
PART NO
99907202309
DESCRIPTION
Note this is a special order item, delivery estimate 1-2 weeks.
CONDITION
NEW - GENUINE PORSCHE
MANUFACTURER
-
PRICE
$2.97
QTY
Available: 999
99907202309
Note this is a special order item, delivery estimate 1-2 weeks.
NEW - GENUINE PORSCHE
-
$
2.97
Available: 999