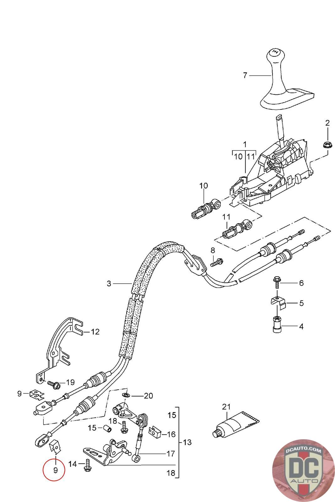
98642404901
SAFETY CLIP
986 424 049 01 [Till 98VS6 23306]
SELECT
SERIAL #
69972
DESCRIPTION
-
CONDITION
USED - X
MILEAGE
-
PRICE
$15.00
QTY
Available: 999
69972
-
USED - X
-
$
15.00
Available: 999