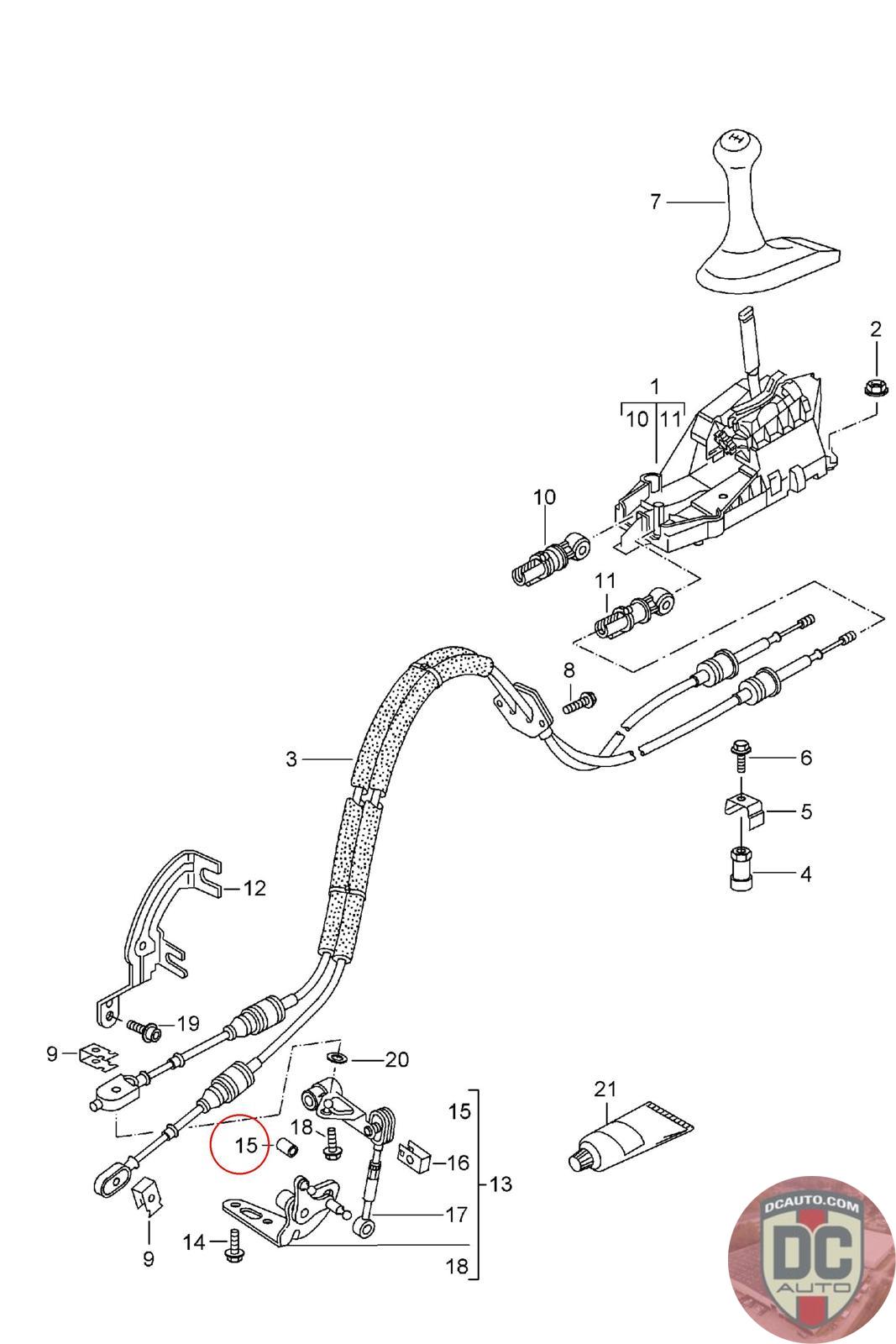
98642413500
CAP
986 424 135 00
SELECT
PART NO
98642413500
DESCRIPTION
Note this is a special order item, delivery estimate 1-2 weeks.
CONDITION
NEW - GENUINE PORSCHE
MANUFACTURER
-
PRICE
$7.97
QTY
Available: 999
98642413500
Note this is a special order item, delivery estimate 1-2 weeks.
NEW - GENUINE PORSCHE
-
$
7.97
Available: 999