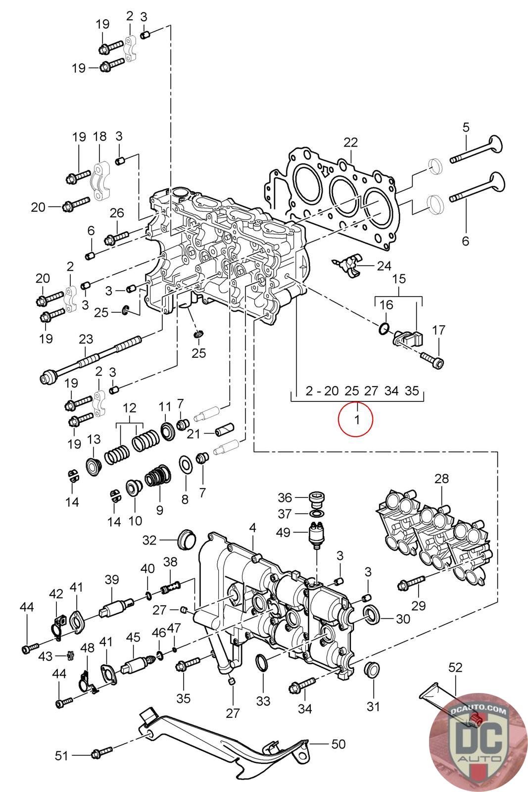
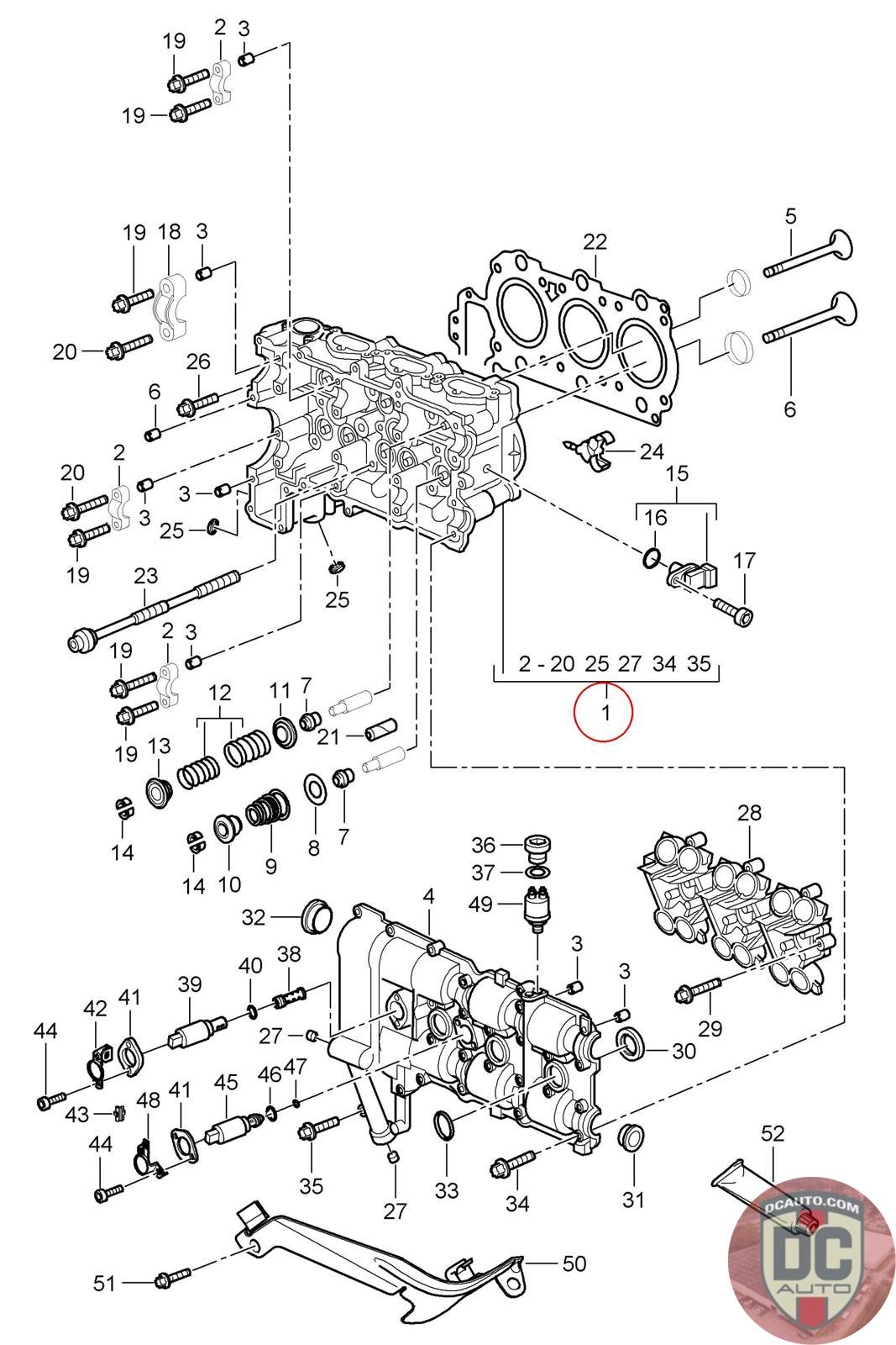
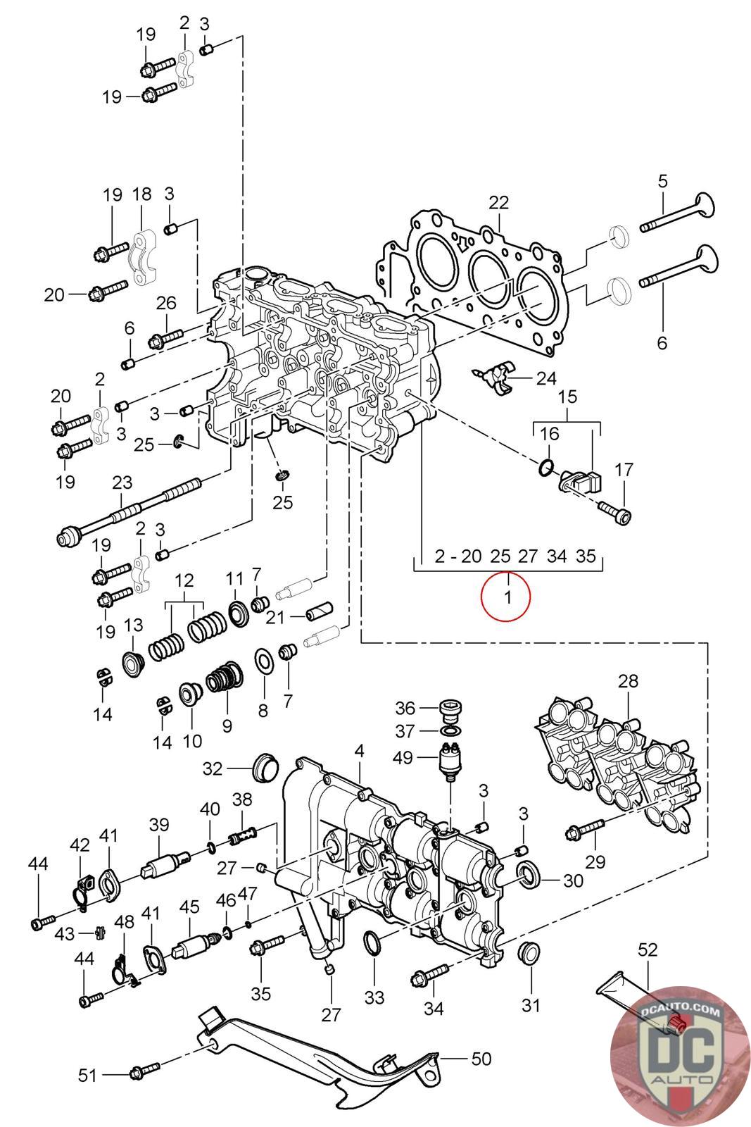
98710491300
CYLINDER HEAD CYL. 1 - 3 M 695 08697 >>
987 104 913 00 [9721]
SELECT
SERIAL #
126175
DESCRIPTION
Good used, cylinder head
CONDITION
USED - A
MILEAGE
-
126175
Good used, cylinder head
USED - A
-
SELECT
SERIAL #
111699
DESCRIPTION
Good Used. M97.21, 67602941, 3.4L, 6 CYL
CONDITION
USED - A
MILEAGE
200118
111699
Good Used. M97.21, 67602941, 3.4L, 6 CYL
USED - A
200118
SELECT
SERIAL #
22255
DESCRIPTION
Cylinder Head, CYL 1-3, M97.21, 67613160, 3.4L 6CYL 98710491300
CONDITION
USED - X
MILEAGE
-
22255
Cylinder Head, CYL 1-3, M97.21, 67613160, 3.4L 6CYL 98710491300
USED - X
-
SELECT
SERIAL #
18363
DESCRIPTION
trim level꞊'s', cylinder head, CYL 1-3, M97.21, 3.4L, 98710491300
CONDITION
USED - X
MILEAGE
-
18363
trim level꞊'s', cylinder head, CYL 1-3, M97.21, 3.4L, 98710491300
USED - X
-