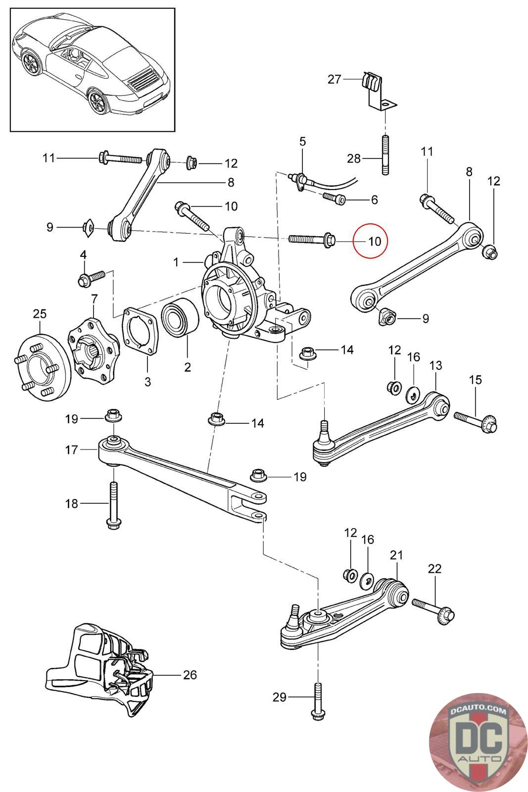
90037813809
HEXAGON-HEAD BOLT M12X1.5X70, SUPERSEDED TO 90037813801, 90037832201
900 378 138 09
SELECT
PART NO
90037813809
DESCRIPTION
Note this is a special order item, delivery estimate 1-2 weeks.
CONDITION
NEW - GENUINE PORSCHE
MANUFACTURER
-
PRICE
$3.97
QTY
Available: 999
90037813809
Note this is a special order item, delivery estimate 1-2 weeks.
NEW - GENUINE PORSCHE
-
$
3.97
Available: 999