98660710400
SUPPORT
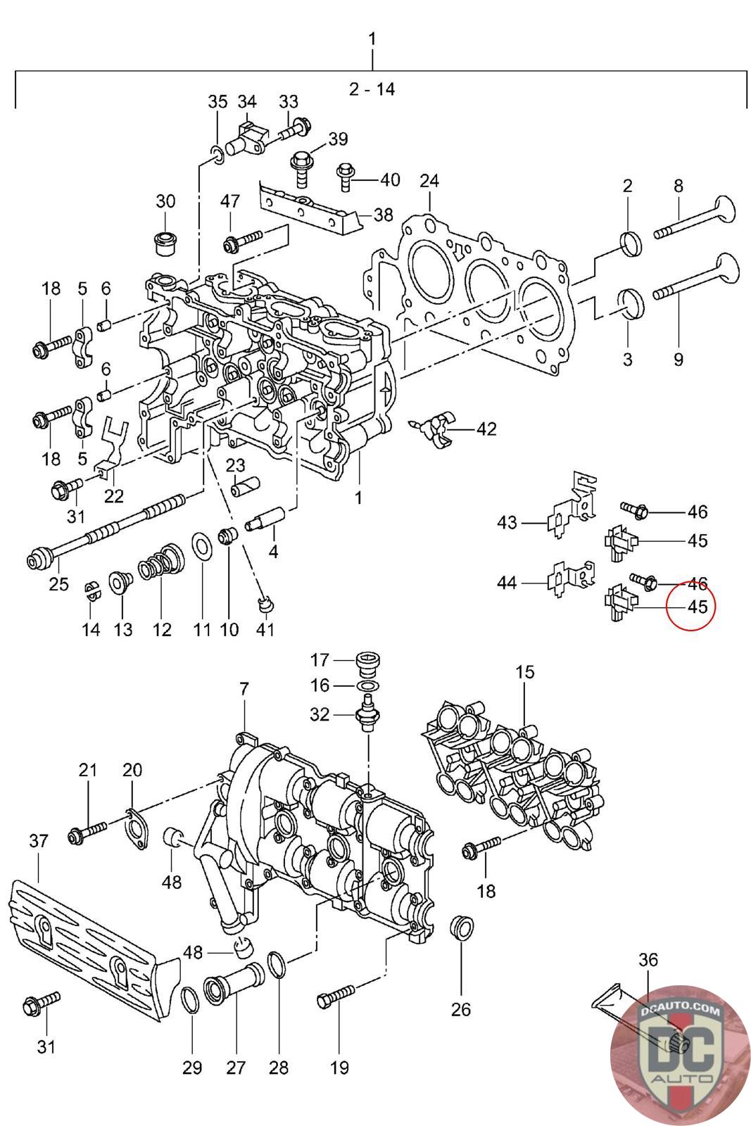
986 607 104 00
SELECT
PART NO
98660710400
DESCRIPTION
Note this is a special order item, delivery estimate 1-2 weeks.
CONDITION
NEW - GENUINE PORSCHE
MANUFACTURER
-
PRICE
$12.97
QTY
Available: 999
98660710400
Note this is a special order item, delivery estimate 1-2 weeks.
NEW - GENUINE PORSCHE
-
$
12.97
Available: 999