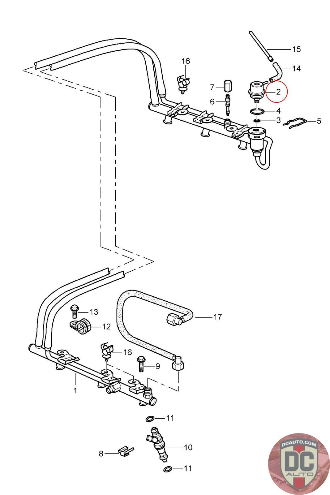
99311019901
FUEL PRESSURE REGULATOR
993 110 199 01 [-01]
SELECT
SERIAL #
70562
DESCRIPTION
-
CONDITION
USED - X
MILEAGE
-
PRICE
$26.25
$35.00
QTY
Available: 997
70562
-
USED - X
-
$
26.25
On Sale! $35.00
Available: 997