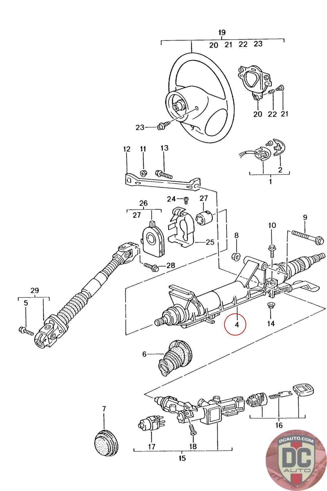
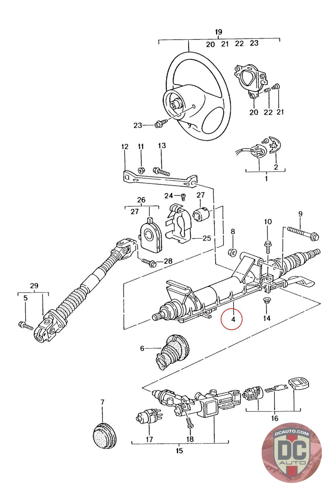
99634700707
STEERING COLUMN WITH LOWER STEERING SHAFT, SUPERSEDED TO 99634700708
996 347 007 07 [2003-] [PSM]
SELECT
SERIAL #
89423
DESCRIPTION
Good used
CONDITION
USED - A
MILEAGE
145000
89423
Good used
USED - A
145000
$
93.75
On Sale! $125.00
SEE MORE VEHICLE PHOTOS
Available: 1
SELECT
SERIAL #
72268
DESCRIPTION
-
CONDITION
USED - X
MILEAGE
-
PRICE
$93.75
$125.00
QTY
Available: 999
72268
-
USED - X
-
$
93.75
On Sale! $125.00
Available: 999