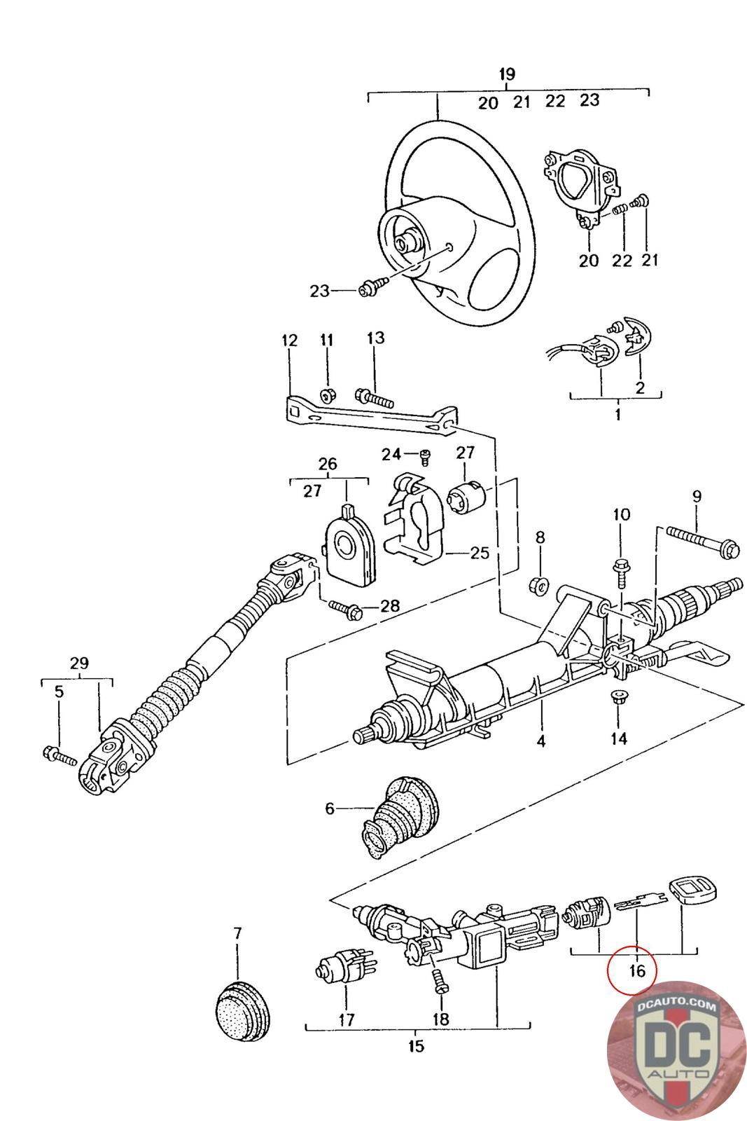
99634791501
LOCK CYLINDER WITHOUT KEY, SUPERSEDED TO 99634791502
996 347 915 01 [2002-]
SELECT
PART NO
99634791501
DESCRIPTION
New
CONDITION
NEW - OEM
PRICE
$272.50
OUT OF STOCK
99634791501
New
NEW - OEM
$
272.50
Available: 0