99635591040
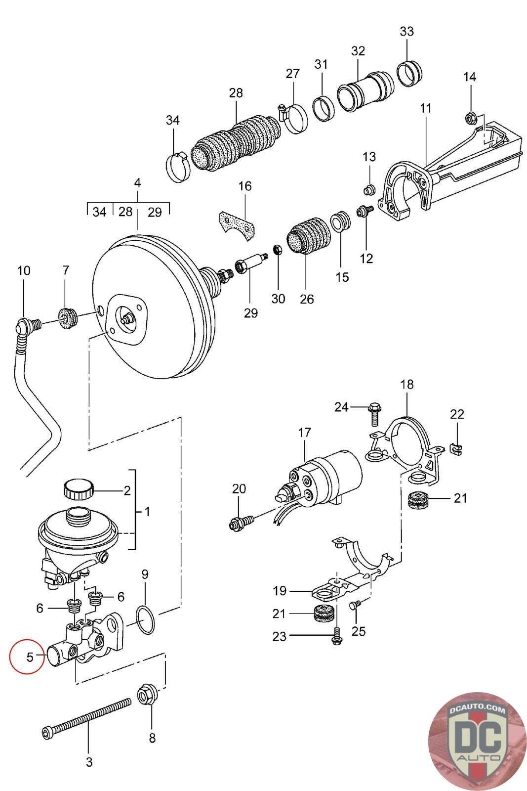
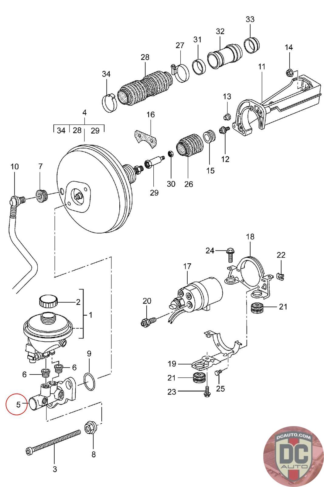
BRAKE MASTER CYLINDER
996 355 910 40 [2001-] [PSM]
SELECT
SERIAL #
4428
DESCRIPTION
BRAKE MASTER CYLINDER, NO RESERVOIR, EXC. TURBO, CARRERA (RWD), PORSCHE STABILITY MANAGEMENT (OPT M476), AT 99635591040
CONDITION
USED - A
MILEAGE
67000
4428
BRAKE MASTER CYLINDER, NO RESERVOIR, EXC. TURBO, CARRERA (RWD), PORSCHE STABILITY MANAGEMENT (OPT M476), AT 99635591040
USED - A
67000
$
60.00
SEE MORE VEHICLE PHOTOS
Available: 1
SELECT
SERIAL #
2423
DESCRIPTION
BRAKE MASTER CYLINDER W/ RESERVOIR, EXC. TURBO, CARRERA (RWD), PORSCHE STABILITY MANAGEMENT (OPT. M476), MT 99635591040
CONDITION
USED - A
MILEAGE
73615
2423
BRAKE MASTER CYLINDER W/ RESERVOIR, EXC. TURBO, CARRERA (RWD), PORSCHE STABILITY MANAGEMENT (OPT. M476), MT 99635591040
USED - A
73615
$
60.00
SEE MORE VEHICLE PHOTOS
Available: 1
SELECT
SERIAL #
44580
DESCRIPTION
Used.
CONDITION
USED - X
MILEAGE
-
PRICE
$60.00
QTY
Available: 999
44580
Used.
USED - X
-
$
60.00
Available: 999
SELECT
SERIAL #
3491
DESCRIPTION
BRAKE MASTER CYLINDER, MISSING RESERVOIR, EXC. TURBO, CARRERA (RWD), PORSCHE STABILITY MANAGEMENT(OPT M476), AT 99635591040
CONDITION
USED - X
MILEAGE
0
PRICE
$60.00
QTY
Available: 1
3491
BRAKE MASTER CYLINDER, MISSING RESERVOIR, EXC. TURBO, CARRERA (RWD), PORSCHE STABILITY MANAGEMENT(OPT M476), AT 99635591040
USED - X
0
$
60.00
Available: 1