99635590700
SEALING RUBBER
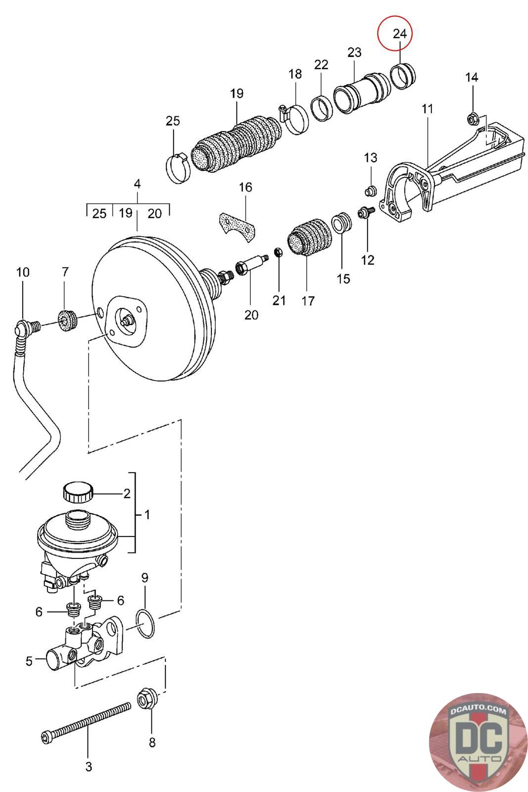
996 355 907 00 [Till 98YS6 20321, 98YU6 21422, 98YS6 60089, 98YU6 60105]
SELECT
PART NO
99635590700
DESCRIPTION
Note this is a special order item, delivery estimate 1-2 weeks.
CONDITION
NEW - GENUINE PORSCHE
MANUFACTURER
-
PRICE
$6.97
QTY
Available: 999
99635590700
Note this is a special order item, delivery estimate 1-2 weeks.
NEW - GENUINE PORSCHE
-
$
6.97
Available: 999