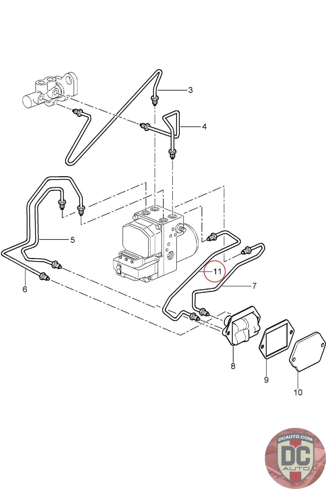
99635532640
BRAKE LINE, SUPERSEDED TO 99635532641
996 355 326 40 [2002-]
SELECT
SERIAL #
89479
DESCRIPTION
Good used.
CONDITION
USED - A
MILEAGE
145000
89479
Good used.
USED - A
145000
$
20.00
SEE MORE VEHICLE PHOTOS
Available: 1
SELECT
SERIAL #
72415
DESCRIPTION
-
CONDITION
USED - X
MILEAGE
-
PRICE
$20.00
QTY
Available: 999
72415
-
USED - X
-
$
20.00
Available: 999