99642698106VRJ
SHIFT KNOB, BLACK, SUPERSEDED TO 996426981068YR
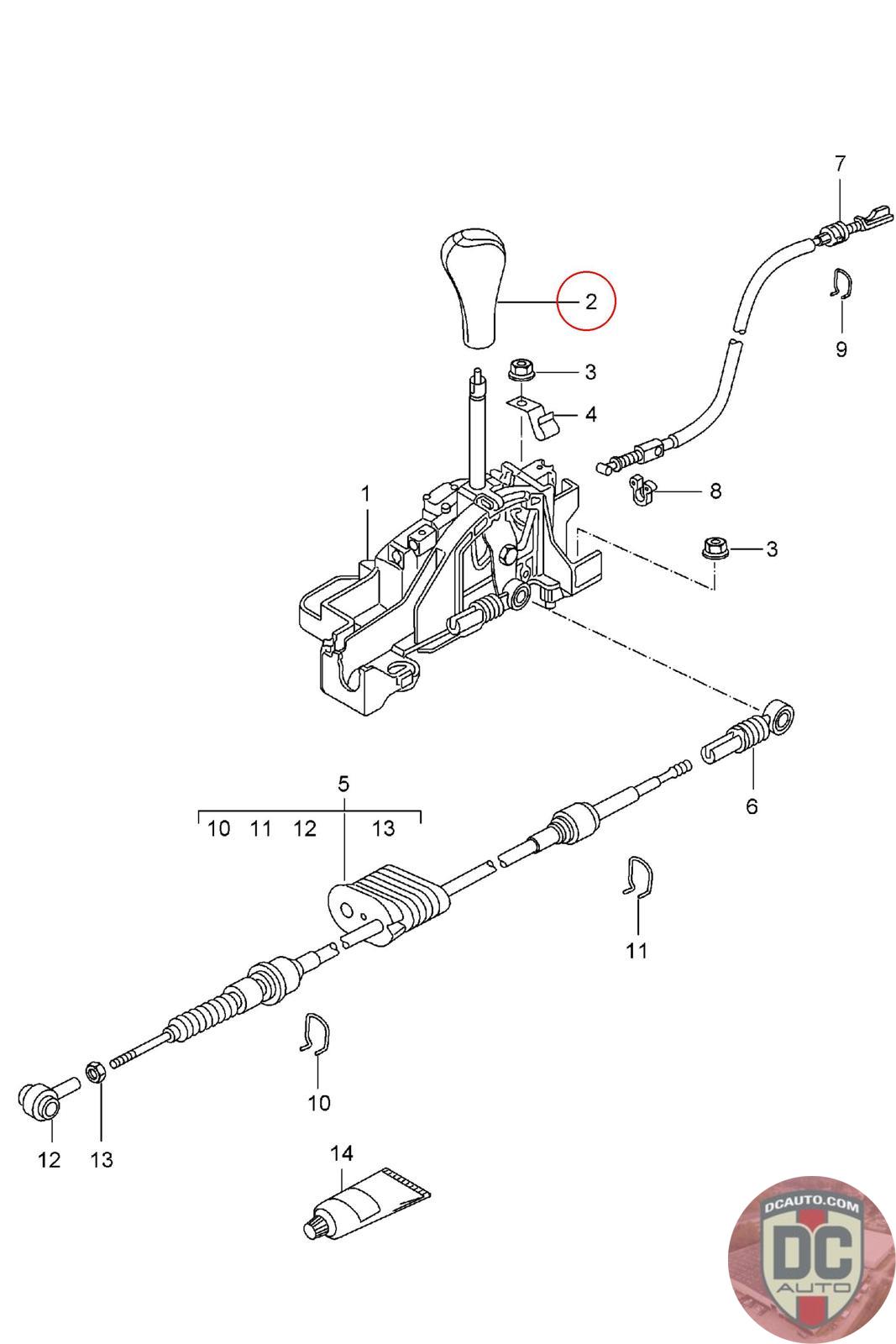
996 426 981 06 VRJ [2001-2002] [Aluminum/Leather]
SELECT
SERIAL #
123791
DESCRIPTION
Used. Missing aluminum center piece. See photos for condition.
CONDITION
USED - A
MILEAGE
-
PRICE
$30.00
QTY
Available: 1
123791
Used. Missing aluminum center piece. See photos for condition.
USED - A
-
$
30.00
Available: 1
SELECT
SERIAL #
72672
DESCRIPTION
-
CONDITION
USED - X
MILEAGE
-
PRICE
$150.00
QTY
Available: 999
72672
-
USED - X
-
$
150.00
Available: 999