99642698111VRJ
SHIFT KNOB, BLACK
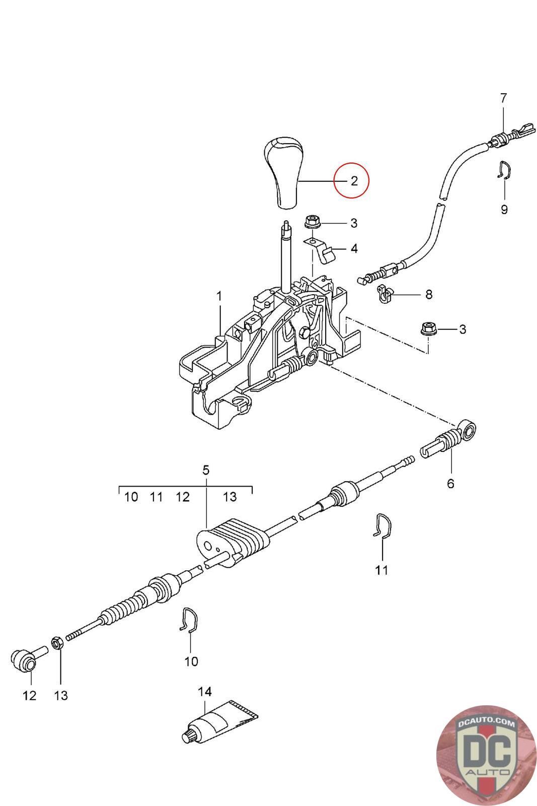
996 426 981 11 VRJ [2003-] [Aluminum/Leather]
SELECT
SERIAL #
72673
DESCRIPTION
-
CONDITION
USED - X
MILEAGE
-