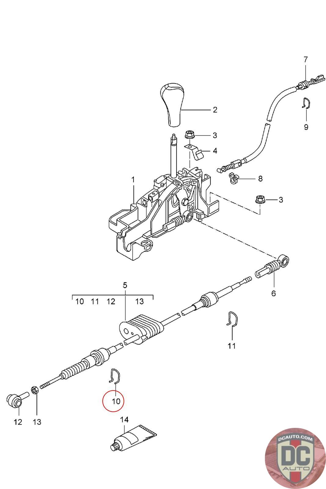
99642633500
SECURING CLIP
996 426 335 00
SELECT
PART NO
99642633500
DESCRIPTION
Note this is a special order item, delivery estimate 1-2 weeks.
CONDITION
NEW - GENUINE PORSCHE
MANUFACTURER
-
PRICE
$10.97
QTY
Available: 999
99642633500
Note this is a special order item, delivery estimate 1-2 weeks.
NEW - GENUINE PORSCHE
-
$
10.97
Available: 999