99660712592
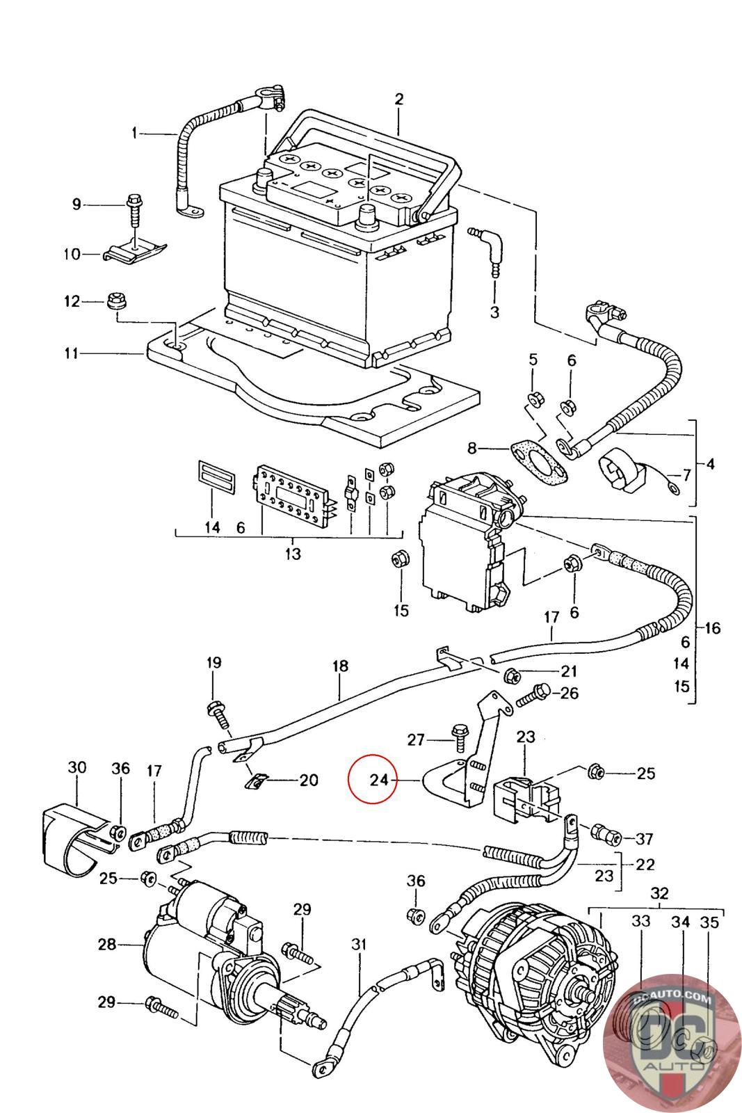
SUPPORT CONNECTION POINT
996 607 125 92
SELECT
SERIAL #
84382
DESCRIPTION
Good used.
CONDITION
USED - A
MILEAGE
-
84382
Good used.
USED - A
-
SELECT
SERIAL #
73671
DESCRIPTION
-
CONDITION
USED - X
MILEAGE
-
73671
-
USED - X
-