99310117202
STUD, SUPERSEDED TO 99310117203
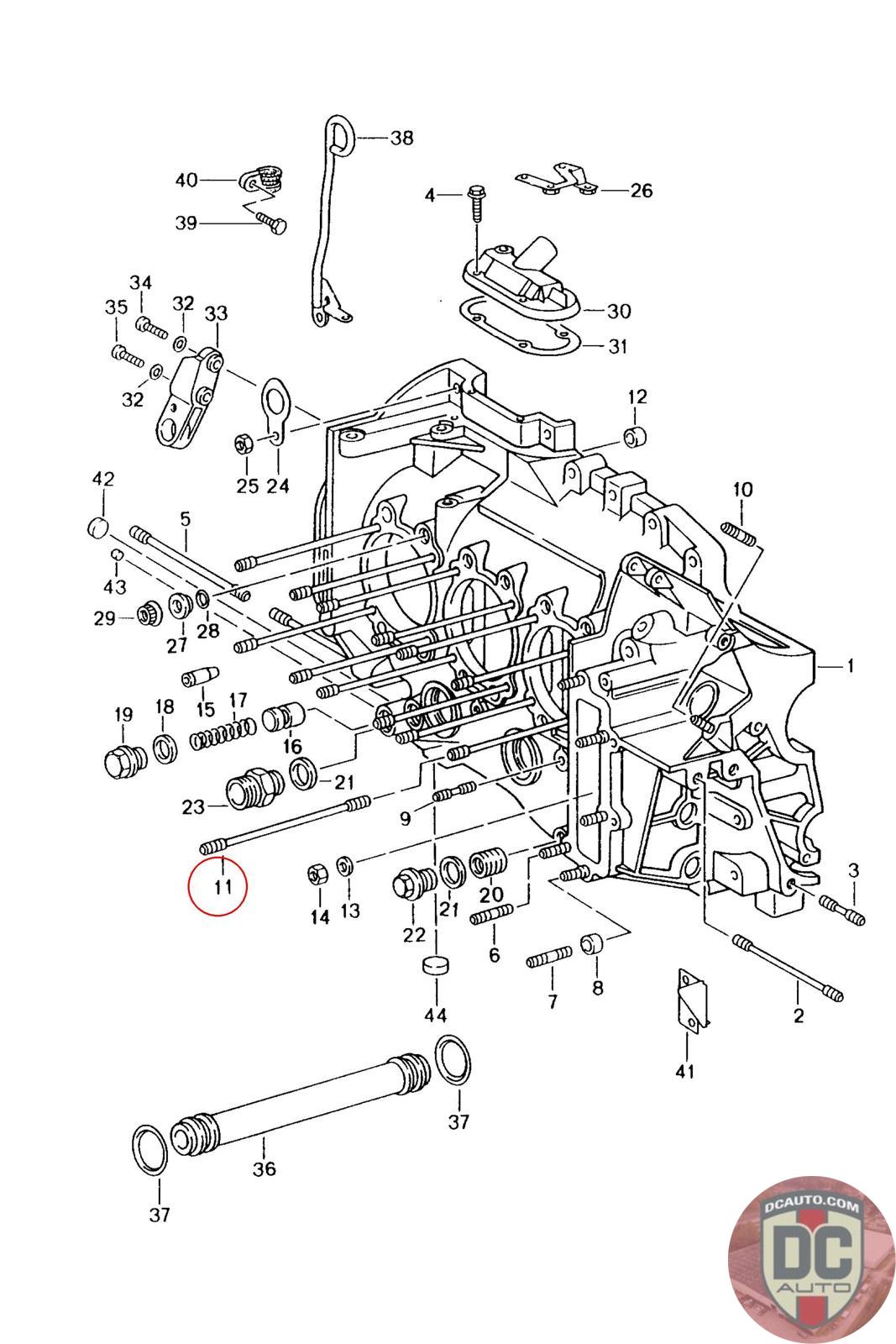
993 101 172 02 [M64.05/06/07/08/21/22/23/24]
SELECT
PART NO
99310117202
DESCRIPTION
Note this is a special order item, delivery estimate 1-2 weeks.
CONDITION
NEW - GENUINE PORSCHE
MANUFACTURER
-
99310117202
Note this is a special order item, delivery estimate 1-2 weeks.
NEW - GENUINE PORSCHE
-