96410510801
COVER SUPERSEDED TO 99310510800, 96410510800
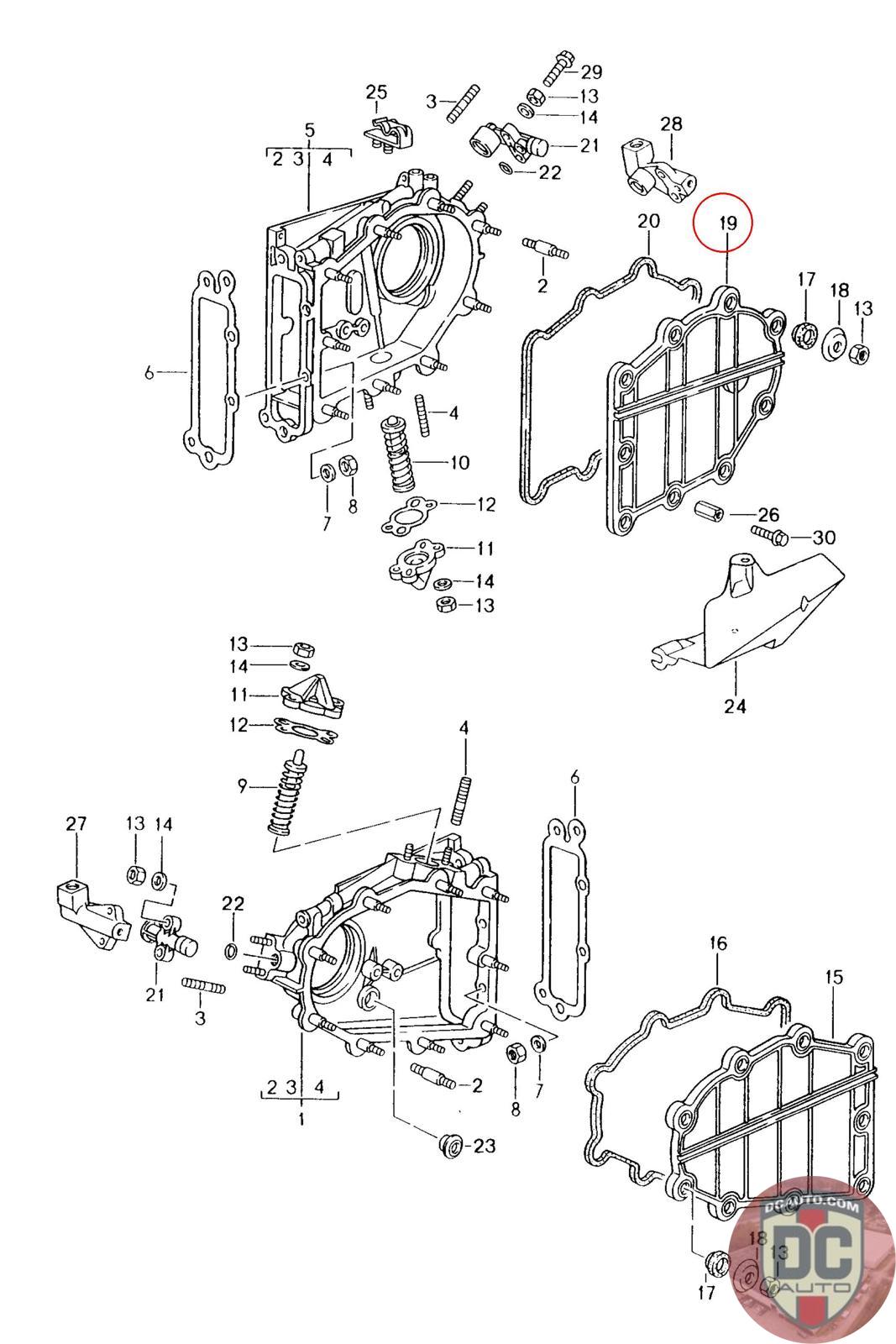
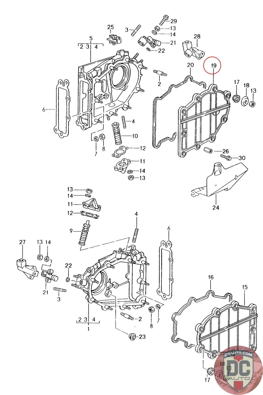
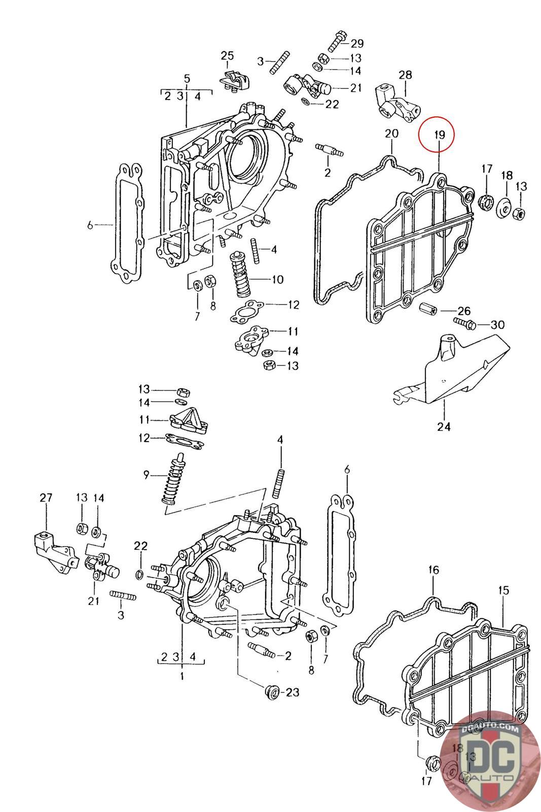
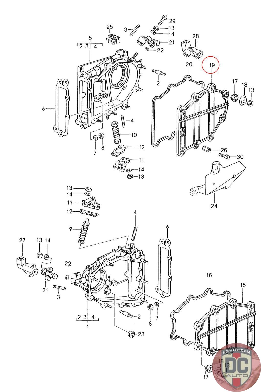
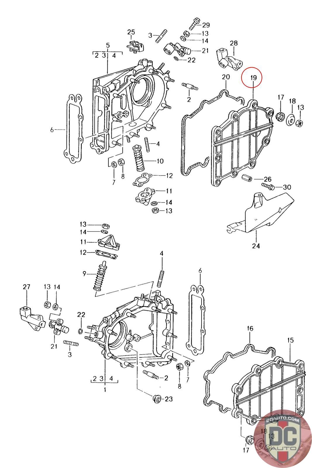
964 105 108 01 [Right]
SELECT
SERIAL #
87680
DESCRIPTION
Good used
CONDITION
USED - A
MILEAGE
-
PRICE
$101.25
$135.00
QTY
Available: 1
87680
Good used
USED - A
-
$
101.25
On Sale! $135.00
Available: 1
SELECT
SERIAL #
87679
DESCRIPTION
Good used
CONDITION
USED - A
MILEAGE
-
PRICE
$101.25
$135.00
QTY
Available: 1
87679
Good used
USED - A
-
$
101.25
On Sale! $135.00
Available: 1
SELECT
SERIAL #
87694
DESCRIPTION
Good used. Has some cosmetic issues on the outside. Raised ridge on the outside has some pieces broken off. Part should still be in usable condition
CONDITION
USED - B
MILEAGE
-
PRICE
$75.00
$100.00
QTY
Available: 1
87694
Good used. Has some cosmetic issues on the outside. Raised ridge on the outside has some pieces broken off. Part should still be in usable condition
USED - B
-
$
75.00
On Sale! $100.00
Available: 1
SELECT
SERIAL #
87695
DESCRIPTION
Cover is mashed inward and has some corrosion on the outside. One of the mounting holes looks like its cracked
CONDITION
USED - X
MILEAGE
-
PRICE
$37.50
$50.00
QTY
Available: 1
87695
Cover is mashed inward and has some corrosion on the outside. One of the mounting holes looks like its cracked
USED - X
-
$
37.50
On Sale! $50.00
Available: 1
SELECT
SERIAL #
87693
DESCRIPTION
outer side of gasket channel is bent and there is a bulge on the inside. Also has corrosion damage on one of the mounting points on the outside
CONDITION
USED - X
MILEAGE
-
PRICE
$37.50
$50.00
QTY
Available: 1
87693
outer side of gasket channel is bent and there is a bulge on the inside. Also has corrosion damage on one of the mounting points on the outside
USED - X
-
$
37.50
On Sale! $50.00
Available: 1