90017800200
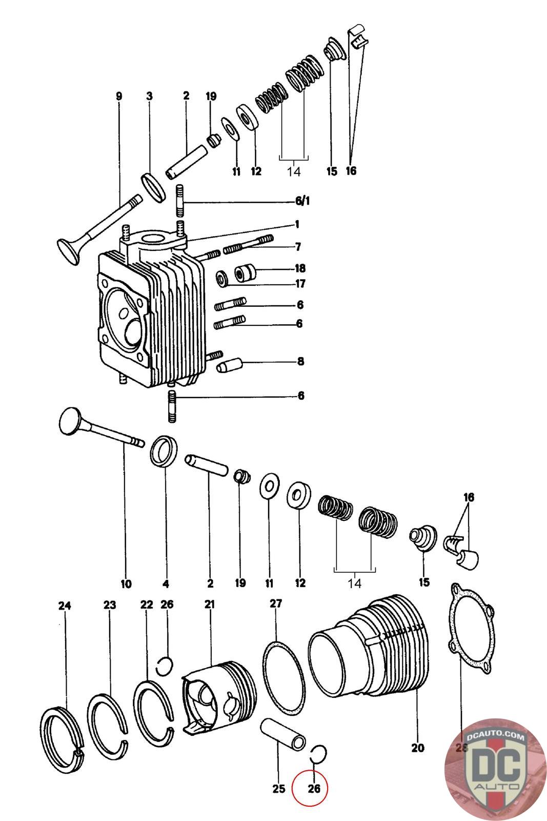
CIRCLIP C22
900 178 002 00 [911/L/TU/T/E]
SELECT
PART NO
90017800200
DESCRIPTION
Note this is a special order item, delivery estimate 1-2 weeks.
CONDITION
NEW - GENUINE PORSCHE
MANUFACTURER
-
PRICE
$8.97
OUT OF STOCK
90017800200
Note this is a special order item, delivery estimate 1-2 weeks.
NEW - GENUINE PORSCHE
-
$
8.97
Available: 0